Peter Hofbauer’s private Homepage
Selbstbauprojekte eigene Entwicklungen
Home Kinderauto Haustechnik Messgeräte Radios/Verstärker Software Maschinen Impressum Letzte Änderung: 08.Juli 2013 Copyright: frei! Impressum Letzte Änderung: 12.Februar 2026 Copyright: frei!

Mini-NF-Messplatz

Millivoltmeter, Wattmeter mit 4/8R-Lastwiderstände, Signalverfolger und Vorverstärker für einen Oszilloskop

Dieses Gerät wurde von mir neu entwickelt und gebaut. Im Prinzip handelt es sich um eine Millivoltmeter mit einigen Zusätzen: 1.) Eingangswahl für 5 Quellen, 2.) Lastwiderstände 4 und 8 Ohm für linken und rechten Kanal getrennt , 3.) Kontroll-Lautsprecher, 4.) BNC-Ausgang für einen Oszilloskop, 5.) Batteriebetrieb mit 4 Monozellen. Die Empfindlichkeit für Vollausschlag am Messwerk reicht von 1mV bis 31V in 10 Stufen. Schaltbar in exakten 10dB-Schritten. Deshalb ist nur eine einzige Skala für die Leistung (in W) und Dämpfung (in dBV) nötig. Für die Spannungen sind 2 Skalen nötig. Gemessen wird der echte Effektivwert (RMS). Der BNC-Eingang hat die selben Werte (1M / 20pF) wie ein Oszilloskop. Damit man einen 10:1 - Tastkopf verwenden kann. Damit erweitert sich der Messumfang auf maximal 310V (RMS). Außerdem wird mit einen solchen Tastkopf die Belastung des Meßobjektes kleiner. Der Batteriebetrieb gestattet erdfreies Messen und verhindert Brummschleifen, die sonst über den Schutzleiter auftreten können. Jedenfalls solange kein Oszilloskop angeschlossen wird. Die Batterien halten etwa 500 Stunden. Die Daten als Millivoltmeter: Eingang: 1M und ca. 20pF Meßbereiche: in 1 - 3.1 - Unterteilung bzw 10dB, 10 Stellungen Eingangsrauschen unter 10uV am Instrument im 1mV-Bereich. Eingangswahl: BNC, Cinch L, Cinch R, 4/8 Ohm L, 4/8 Ohm R Frequenzumfang: 5Hz bis 100kHz (-0dB) und bis 220kHz (-1dB) Die Daten als Wattmeter: Lastwiderstand 4 und 4+4 Ohm, maximale Kurzlast für 8 Ohm 5s = 100W, für 4 Ohm die Hälfte, Dauernd bis 20W Geeicht in W von 12mW bis 120W für eine Last von 8 Ohm, für eine Last von 4 Ohm muß der angezeigte Wert verdoppelt werden. Daten als Vorverstärker: Ausgang: BNC, 1kOhm, 150mVss am Messwerkende. Frequenzumfang: 5Hz bis 350kHz (-0dB), und 650kHz (-6dB) Anstiegzeit: 0,8us Daten als Signalverfolger: Signal ab 2% Messwertanzeige hörbar beeinflusst die Messwerte wenn zu laut. 50Hz-Signale sind ab etwa 10uV hörbar.

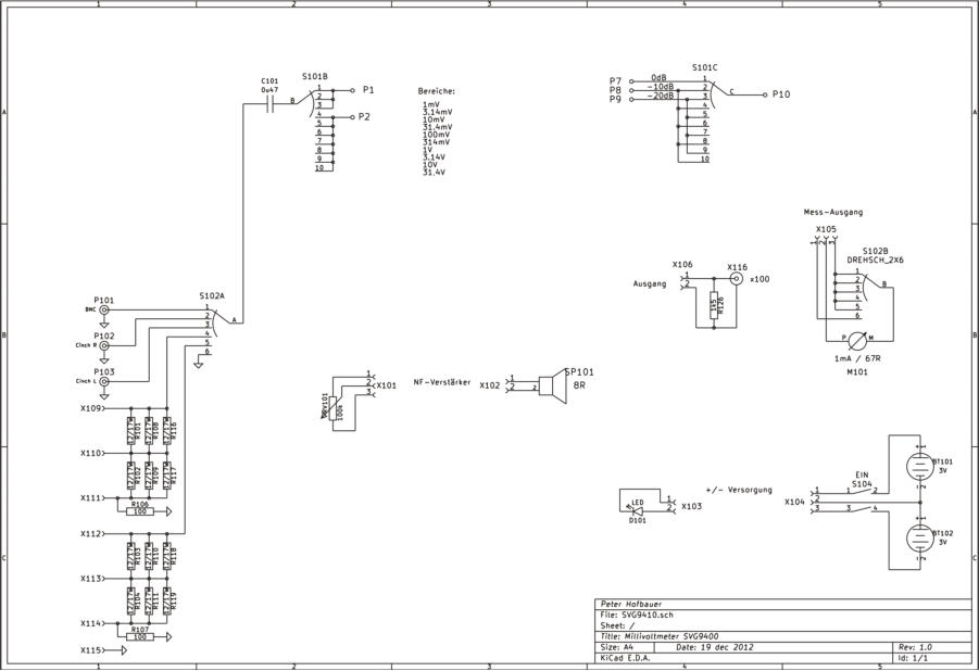
Der Schaltplan

Der Schaltplan besteht aus 2 Seiten. Je eine für die Platine und der Verdrahtung. Die Schaltung auf der ersten Seite (Positionsziffern unter 100) ist auf der Platine untergebracht. Die zweite Seite (Positionsziffern über 100) zeigt die Verdrahtung. Die Verbindung zur Platine erfolgt über Steckverbinder. Die Stiftleisten auf der Platine und die Federleisten als Gegenstück haben immer die selbe Endziffer in der Positionsziffer. X1 gehört also zu X101. Ausnahme: die Anschlüsse des Bereichsschalters haben auf beiden Plänen die selbe Positionsziffer. P1 auf Seite 1 ist also mit P1 auf Seite 2 verbunden. Die Batterien BT101 und BT102 sind 3-polig über X4/X104 angeschlossen. Die Schaltung benötigt +/-3V. Bis zu einer Spannung von +/-2,5V arbeitet das Gerät normal. Die beiden Widerstände R15 und R16 schützen den Einschalter. Neue Monozellen haben einen geringen Innenwiderstand. Beim Einschalten könnten die Ladeströme für die Elkos dem Schalter schaden. Der Bereichsschalter besteht aus 3 Ebenen (X1, X101B, X101C) mit je 12 Stellungen. Es werden davon nur 10 Stellungen verwendet. Der Schalter ist mechanisch und elektrisch fest mit der Platine verbunden. Die oberste Ebene S1 wird direkt mit kurzen Drahtstücken auf der Lötseite der Platine verbunden. Die beiden anderen Ebenen S101B und S101C werden über etwas längere Drähte verbunden. Über S101B erfolgt zunächst eine Vorwahl. Dann folgt S1 mit der Zehner-Unterteilung. Nach der ersten Stufe U1E erfolgt eine weitere Unterteilung in 10dB- Stufen. Dieser etwas hohe Aufwand ist nötig, wenn der Eingang kompatibel mit den bei Oszilloskopen üblichen Werte sein soll. Die Verstärkung der ersten Stufe wird nur im 1mV-Bereich in voller Höhe genutzt (P1 mit P7 verbunden). Darüber, also ab 3.1mV, nur noch um 10dB bzw 20dB abgesenkt verwendet (P1 > P8/9). Um das Rauschen zu vermindern. C2 und R1 schützen den Eingang des TL074/U1E gegen hohe Impulse. Mit den beiden OPs U1D und U1B wird das Signal breitbandig bis auf etwa 170mV verstärkt. Hier verzweigt sich das Signal. Über X6/X106 gelangt das Signal zur BNC-Buchse für einen Kontroll-Skop. Mit R14 und R126 wird auf 150mV abgesenkt und entkoppelt. Über X1/X101 gehts zum Lautstärkesteller RV101 und zurück zum NF-Verstärker TBA820M / U2. Über X2/X102 gehts zum kleinen 8R- Lautsprecher SP101. Der Lautsprecher wird mit einen geringen DC-Strom vorbelastet, was hier aber nicht stört. Die Lautstärke ist nicht allzu hoch, aber für diesen Zweck ausreichend. Der AD636 /U3 wandelt die Wechselspannung, den echten Effektivwert, in Gleichspannung. Die Gleichspannung wird mit U1A an das Messwerk M101 angepasst. Das Messwerk liegt zwischen X5/2 und X5/2 (GND). Oder zur Messung der Batterie über R20 zwischen X5/1 und X5/2. Umgeschaltet wird mit den zweiten Pol des Eingangswahlschalters (S102B). Der erste Pol des Eingangswahlschalters schaltet das Gerät auf 5 Eingänge: Die BNC-Buchse P101 ist für einen 1:1 / 10:1 - Tastkopf gedacht. Die beiden Cinch-Buchsen P102/P103 sind praktisch für Signalquellen wie z.B. CD-Player. Man kann dann ohne Umstecken zwischen Links und Rechts umschalten. Die Leistungswiderstände an den Buchsen X109 bis X114 sind als Lautsprecher-Dummys gedacht. Deren Fußpunkt ist über einen 100R- Widerstand mit GND verbunden. Bei Bedarf muss extern mit GND verbunden werden. Dafür ist eine GND-Buchse X115 vorgesehen. Der Grund: Autoradios haben Lautsprecher-Ausgänge, die wegen der Brückenschaltung der Endstufen nicht mit GND verbunden werden dürfen.  

Der mechanische Aufbau

Gehäuse: Das Gehäuse war mal ein ein altes und unrettbar defektes Heathkit-Röhrenvoltmeter. Frontplatte: Die alte Frontplatte wurde soweit herausgesägt wie Platz für die neuen Teile nötig ist. Die neue Front wurde aus 1,5mm Alu gefertigt und auf den Rahmen der alten Front geschraubt. Die Beschriftung wurde mit einen Laserdrucker auf selbstklebende Folie gedruckt. Die Folie dann durch ein Laminiergerät mit Klarsichtfolie beidseitig beschichtet damit die Laserbeschriftung abriebsicher wird. Die Laminierfolie auf der Rückseite dann abgezogen mitsamt dem Schutzpapier für die Klebeseite und auf die Alu-Front aufgezogen. Das Ergebnis sieht recht professionell aus. Platine: Ein Alublech ist mit Distanzbolzen befestigt und darauf dann die Platine. Dieses Blech ist zur Abschirmung gegen den Lautsprecher und der übrigen Verdrahtung nötig. Die Distanzbolzen sind auf eine runde Aluscheibe mit 20mm Durchmesser geschraubt. Diese Aluscheiben  sind auf die neue Frontplatte geklebt. Ich verwende den Konstruktionskleber “WEICON RK-1300”. Die Lastwiderstände: Die Lautsprecher-Dummys bestehen aus 17W-Widerstände, die zwischen zwei Aluplatten und darauf geschraubten Kühlflügeln montiert sind. Das Gebilde ist an der Rückwand montiert und dazwischen auf Abstand ein Alublech als Hitzeschild. Der restliche Aufbau: siehe Fotos!
Verdrahtung der Bereichsumschalter

Zwei Mess-Beispiele aus der Praxis

Wozu ist so ein Gerät gut? Hier mal zwei Messaufgaben, die mit der Standard-Ausrüstung (Oszilloskop plus DVM) nicht so ohne weiteres lösbar sind. 1. Messaufgabe Ich benötige für eine Neuentwicklung einen steilflankigen 1kHz-Tiefpass. Bei 2kHz soll die Dämpfung 80dB betragen. Die erforderliche Schaltung ist mit LTspice ausreichend genau zu berechnen. Das ist eine 5-fach LC-Kette. Weil jetzt die Platine entworfen werden muß, muß ich wissen, wie groß der Abstand zwischen den Drosseln sein muß. Diese Drosseln beeinflussen sich gegenseitig, das ist sicher. Also habe ich die Schaltung mit den vorgesehenen Teilen auf ein Steckbrett aufgebaut. Am Eingang ein NF-Signal von 7Veff / 2kHz angeschlossen und am Ausgang ein Oszilloskop. Am Oszilloskop ist aber kein 2kHz-Signal zu sehen sondern nur ein starkes Rauschen. Ist auch logisch, denn alles unter 1kHz passiert den Tiefpass in voller Höhe, also auch die Rauschanteile aus den NF-Generator. Der Rauschabstand eines NF-Generators liegt bei etwa 60dB wenns hoch kommt. Das Messwerk im Mini-NF-Messplatz zeigt natürlich ebenfalls wegen des Rauschens viel zu viel an. Jetzt kommt der Lautsprecher im Mini-NF-Messplatz ins Spiel! Sehr deutlich ist der 2kHz-Ton trotz Rauschen hörbar. Durch Lageänderungen der  Drosseln kann die optimale Stellung ermittelt werden:    a> Direkt nebeneinander: geht nicht, Ton recht laut    b> Abwechselnd liegend und stehend: besser, muss aber zu genau erfolgen    c> Raum von 20mm zwischen jeder Drossel: perfekt, Ton ist unhörbar. 2. Messaufgabe Für einen HF-Messsender habe ich eine Eichleitung mit maximal 91dB Abschwächung entworfen und gebaut. Die 91dB sollen jetzt überprüft werden. Meine erste Idee: mit DC und einem DVM weil nur Widerstände drin sind. Um am Ausgang z.B. 0,1V zu messen, muss man am Eingang 3500V einspeisen! Geht also nicht. Und mit Oszilloskop? Mein NF-Generator liefert maximal 20Vss. Dann kommen am Ausgang 0,56mVss (= 0,2mVeff) heraus. Das kann ein Oszilloskop nicht mehr genau genug anzeigen, ist zu klein! Aber das mV-Meter im Mini-Messplatz kann es. An der dB-Eichung des Messwerks kann ich ablesen: Eingang +17dBV, Ausgang = -74dBV, Ergebnis also 91dB.

Hinweise

Falls jemand ein solches Gerät nachbauen will, hier ein paar Hinweise. Das Gehäuse sollte nicht zu klein sein und unbedingt aus Metall. Statt Zeigerinstrument kann man auch eine Digitalanzeige verwenden. Die kosten heute weniger wie ein Messwerk haben aber in diesen Fall einige Nachteile. Dann muss man sich die Leistung und die dB´s selber ausrechnen. Bei Musiksignalen zeigt eine digitale Anzeige nur Mist an. Deshalb sollte man auf ein Zeiger-Messwerk besser nicht verzichten. Vielleicht beides? Die Verdrahtung vom BNC-Eingang bis zum Bereichsschalter muss möglichst kapazitätsarm erfolgen wenn man handelsübliche 10:1-Tastköpfe verwenden will. Abgeschirmte Leitungen in diesen Signalweg möglichst vermeiden. Die Erdleitungen sind wegen des Batteriebetriebs unkritisch. Die Buchsen sind direkt an der Front mit dieser verbunden. Dann alle GND- Leitungen an einer zentralen Masse zusammenführen. Man sollte kein Netzteil einbauen! Die erdfreie Messung wegen der Batterien sind das wichtigste an diesen Konzept! Die C-Trimmer sind unbedingt richtig abzugleichen wenn man einen Oszilloskop zur Kontrolle anschließen will. Wichtig ist eine korrekte Darstellung von Rechtecksignale am Oszilloskop. Auf die Messergebnisse am Messwerk haben die C-Trimmer nur einen geringen Einfluß. Wer das nicht benötigt kann die C-Trimmer Cv3, CV11, CV13 und CV4 weglassen oder alle auf Mitte einstellen. CV1 und CV2 dann auch auf Mitte stellen. Der Abgleich: Voraussetzung: man sollte wissen wie man einen Oszi-Tastkopf abgleicht! Ähnlich wird dies Gerät abgeglichen. Zum Abgleich benötigt man Rechteck und Sinus mit unterschiedlichen Spannungen und ein Oszilloskop am Anschluss X100. Zur Verbindung mit dem Oszilloskop bitte ein normales 50R-BNC-Kabel verwenden, also keinen Tastkopf! 1.) Gerät einschalten, Bereich auf 31V stellen und kein Eingangssignal. Dann den Nullpunkt am Meßwerk mit der mechanischen Einstellschraube auf 0 stellen. Damit wird eine leichte DC-Drift vom AD636 korregiert. 2.) RV1 einstellen. Einen genauen Sinus, z.B. 50Hz, einspeisen und RV1 auf den richtigen Skalenwert einstellen. Es ist egal welchen Bereich man dabei verwendet. Die Sinus-Spannung sollte aber möglichst dicht am Skalenendwert liegen. 3.) CV3, CV11 und CV13 einstellen. Eine Sinusspannung niederohmig (damit CV1 nicht wirkt) einspeisen. Etwa 0,8mV mit schrittweise höher werdender Frequenz. Dann die 3 C-Trimmer so einstellen, das die obere Frequenzgrenze der Anzeige möglichst weit nach oben geht ohne Anzeigeabweichung. Alternativ kann man auch mit einer Rechteckspannung arbeiten und am Oszilloskop die Flanken korregieren. Wie man es normalerweise auch beim Tastkopfabgleich macht. 4.) CV2 und CV4 abgleichen. Der Abgleich erfolgt abwechselnd im Bereich 31mV und 310mV. Rechteckspannung einspeisen. Spannugshöhe kurz vorm Endanschlag, Frequenz 1kHz. Zuerst CV2 im 31mV-Bereich die Flanken korregieren, dann im 310mV-Bereich CV4. Solange wiederholen bis die Abweichungen tolerierbar sind. 5.) Die übrigen (höheren) Bereiche kontrollieren. Wenn die Flanken in diesen Bereichen falsch aussehen, dann C11, C13 und C23 kontrollieren. 6.) CV1 einstellen. Damit soll die selbe Eingangskapazität in allen Bereichen erreicht werden. Damit ein 10:1-Taskopf verwendet werden kann. Über einen 10:1-Tastkopf, der am BNC-Eingang angeschlossen ist, einen Rechteck einspeisen. Bereich 31mV. Jetzt den 10:1-Tastkopf(!) auf richtige Flanken abgleichen. Den benötigen wir als Referenz. Dann den Bereich 10mV wählen und Rechteckspannung entsprechen vermindern. Jetzt CV1 auf richtige Flanken einstellen. Das Ergebnis: die Eingangskapazität ist in allen Bereichen ausreichend identisch.

Abschluss-Kommentar

Das Gerät hat sich für die Reparatur oder Inbetriebnahme von Verstärkern und Radios, vor allem bei Röhrengeräte als sehr nützlich erwiesen. Man kann schnell zwischen den beiden Stereokanälen umschalten. Ein Oszilloskop zur Kontrolle wird auf 50mV/Teilung eingestellt und kann in dieser Stellung bleiben. Auch das Mithören über den Lautsprecher ist sehr praktisch. Was ich das nächste mal besser machen würde: Wünschenswert ist ein größeres Gehäuse damit auch ein größeres Messwerk verwendet werden kann. Ebenso ein größerer Abstand der Bedienelemente und Buchsen. Zum wechseln der Batterien muss das Gehäuse geöffnet werden, das könnte man ebenfalls ändern. Der Schaltplan und die Platine können hier heruntergeladen werden. Die Schaltpläne sind mit KiCad gezeichnet worden. Wer KiCad nicht kennt: Die ZIP-Dateien in ein getrenntes Verzeichnis kopieren und mit KiCad entzippen. KiCad arbeitet am Besten wenn jedes Projekt in ein eigenes Verzeichnis steht. Datei SVG9410.zip, Schaltplan Verdrahtung, ohne Platine (8kB) Datei SVG9411.zip, Schaltpan und Layout der Platine (46kB) Datei Corel.zip, Zeichnung der Frontplatte und Meßwerkskala (61kB) Die Schaltung wurde an einigen wenigen Stellen geändert ohne diese Änderung in der Platine nachträglich zu korregieren. Die Änderungen können aber problemlos vorgenommen werden. Die Platine entspricht dem Original SVG9410 und muss entsprechend des neuen Schaltplane SVG9411 geändert werden. Es betrifft die Teile: C5 am NF-Verstärker, siehe Schaltplan SVG9411 CV5 auf der Platine entfällt C11 am Bereichsschalter, siehe Schaltplan SVG9411 C13 und C23 kommen neu hinzu und werden direkt auf die Platine am Bereichsschalter angelötet. Ein Stück kupferbeschichtete Epoxydplatte wird (wie auf den Foto oben sichtbar) als Abschirmwand auf die GND-Fläche gelötet.
Home HF-Messplatz
Platine
Verdrahtung