Peter Hofbauer’s private Homepage
Selbstbauprojekte eigene Entwicklungen
Impressum Letzte Änderung: 08.Juli 2013 Copyright: frei! Impressum Letzte Änderung: 10.02.2017 Copyright: frei!

DDS HF-Messsender  0,02 bis 45 MHz

Home Home

Technische Daten

Frequenzbereich 20kHz bis 45MHz Frequenzstabilität nach 0,5h einlaufen mit 20,000000MHz erfolgt keine Änderung mehr in der 7-stelligen Anzeige meines Zählers Ausgangsspannung maximal 0,2Veff (-14dBV), mit Belastung mit 50R 0,1Veff, minimalste 2,0uV bzw 1,0uV Pegelsteller Feineinstellung von -14dB bis -54 dBV, zusätzlich drei 20dB HF-Teiler Modulation AM intern und extern, Modulationsgrad von 0 bis 100% und bei Dreieck bis 200% Interner NF-Generator feste Frequenzen 100Hz, 1kHz und 10kHz, Sinus und Dreieck Betriebsspannung 12VDC, max. 0,62A, für Stecker-Netzteil oder Kfz-Anschluss Abmessungen b=230, h=100, t=280

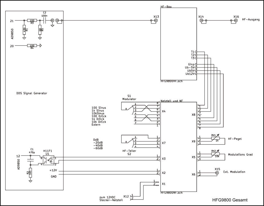
Der Schaltplan, Übersicht

   
HFG9800 Gesamt
Dar Messsender besteht aus 3 Baugruppen, die über Steckverbinder verbunden sind: 1.) DDS Signal Generator 2.) Netzteil und NF 3.) HF-Box DDS Signal Generator HF-Box Frontplatte Netzteil und NF Knopf mit Skalenscheibe für Mod% und HF-Pegel Potis dazu HF-Kabel von der HF-Box zur Frontplatte Drehschalter für HF-Teiler und Modulator

Der DDS Signal Generator

Diese Platine hatte ich vor einigen Jahren im www beschafft. Leider wurde kein Schaltplan oder verwertbare Unterlagen mitgeliefert. Das Teil war defekt und musste repariert werden (falscher bzw defekter Quarz). Ich konnte damit aber wegen fehlender Pläne eigentlich nichts anfangen. Dann habe ich die Platine mal genauer überprüft. Als VCO für einen Messsender gut geeignet. Auf der Platine befinden sich alle nötigen Bedienelemente und ein LCD. Die Frequenz kann in 1Hz-Schritte eingestellt werden. Eine Eichung der Frequenz ist bereits in der Bedienung vorgesehen. Die Frequenz wird mit einen AD9850 erzeugt. Angesteuert wird das Ganze mit zwei 8-bit PICs. Für meine Anwendung sind einige Anzeigen auf dem LCD ohne Funktion und müssen ignoriert werden. Die Platine habe ich mechanisch etwas bearbeitet wegen Platzmangel im Gehäuse. Die 4 Potis auf der Platine können ich nicht verwenden, sie stehen im Weg und wurden entfernt. Für meinen geplanten Messsender musste folgendes geändert werden: 1.) Der Tiefpass mit Transistor wurde entfernt. Der Transistor wurde gnadenlos übersteuert und erzeugte entsprechende Oberwellen. 2.) vom Ausgang des AD9850 (Pin 21) zur HF-Buchse auf der Platine habe ich ein pi-Glied (R1,R3,R5) mit 100 Ohm Eingangs- und 50 Ohm Ausgangswiderstand auf gelötet. Am Pin 20 bleibt der 100 Ohm von der Originalbestückung. 3.) Der Pegel am Ausgang des AD9850 ist mit einen Widerstand am Pin 12 einstellbar. Im Original ist dort ein 3,9kOhm. Die Doku AN-423 von Analog Devices zeigt ein Beispiel wie man die HF an diesen Pin Amplituden-modulieren kann. Dort wird ein FET (2N7000) als steuerbarer Widerstand verwendet. Weil ich lieber eine potentialfreie Ansteuerung wollte, habe ich das mit den Optokoppler H11F1 versucht. Der H11F1 hat am Ausgang einen FET. Hier das Testergebnis: Diodenstrom HF-Pegel (eff) am Pin 20 12mA 700mV 6mA 352mV 3mA 172mV 1,5mA 82mV 0,5mA 20mV 0mA 0mV Wie man sieht, besteht zwischen Diodenstrom des H11F1 und der HF-Spannung ein ausreichend lineares Verhältnis. Leider hat der H11F1 einen Nachteil: er ist langsam. Das wirkt sich bei einer Modulation von 10kHz verzerrend aus. Siehe Messwerte später.

Die Platine Netzteil und NF

HFG9800NF  Netzteil und NF
Diese Platine ist so was ähnliches wie ein zentraler Verteiler. Hier werden alle benötigten Spannungen für die HF-Box und den DDS Signal Generator aufbereitet. Der NF-Generator für die Modulation arbeitet mit einen XR2206. Ich habe die Schaltung symmetrisch mit +/-5V ausgelegt. Die Relais K10 und K11 schalten die Frequenz bestimmenden Widerstände um. Für die 3 Frequenzen 100Hz, 1kHz und 10kHz sind getrennte Trimmer RV5, RV6 und RV7 vorgesehen. Der C10 (47nF) ist für alle drei Frequenzen. Mit RV4 wird die Amplitude an Pin 2 auf 200mVeff eingestellt. RV2 muss auf eine gleichmäßige Sinuskurve und RV3 auf Symmetrie getrimmt werden. Das Relais K12 schaltet von Sinus auf Dreieck um. Das Dreiecksignal ist etwa doppelt so groß wie der Sinus. Mit K9 wird auf eine externe NF-Quelle umgeschaltet. Die vielen Relais (Typ SY-12W-K) im NF-Generator sind nötig weil eine direkte Schaltung mit einen Drehschalter auf der Frontplatte wegen Platzmangel entfallen musste. Ein solcher Drehschalter müsste mehrere Ebenen haben und so einen habe ich in einer so kleinen Größe nicht. Relais hatte ich dagegen genug vorrätig. An X5 ist ein Poti angeschlossen zum Einstellen des Modulationsgrades. Für Sinus kann man bis 100% und für Dreieck geht es bis 200%. also übersteuert. Das ist für einige Tests, zum Beispiel AVR (AGC) -Zeitkonstanten, von Nutzen. U1 (TL082) bildet mit Q1 (BC232) eine Konstantstromquelle für den Optokoppler H11F1 auf der DDS-Platine. Mit RV1 wird der HF-Pegel im unmodulierten Betrieb auf 82mVeff (an 50 Ohm) an der Ausgangsbuchse des DDS Signal Generators eingestellt. Ein seltsames Verhalten meines XR2206. Im Datenbuch und in allen sonstigen Publikationen gehört der Frequenz-bestimmende Widerstand an den Pin 7. Bei meinen XR2206 funktionierte das nicht. Ich musste stattdessen den Pin 8 verwenden. Laut Datenblatt schaltet die Spannung am Pin 9 (FSKI) zwischen Pin 7 oder Pin 8 um. Das ist für eine FSK-Modulation gedacht. Bei meinen XR2206 war es völlig egal was am Pin 9 ansteht. Eigentlich soll daran ein interner PU-Widerstand den Pin 9 auf H ziehen und damit den Pin 7 aktivieren. War mein XR2206 defekt? Also habe ich neue bestellt, vorsichtshalber gleich zwei. Zu meiner Überraschung hatten die neuen XR2206 die selbe Fehlfunktion. Das verwundert auch deshalb weil die neuen Exemplare ein etwas anders aussehendes Gehäuse hatten. Also nicht aus der selben Charge sein können. Das habe ich abschließend nicht klären können. Also einfach die Platine etwas geändert und den Pin 8 verwendet. Alle anderen Funktionen waren OK.
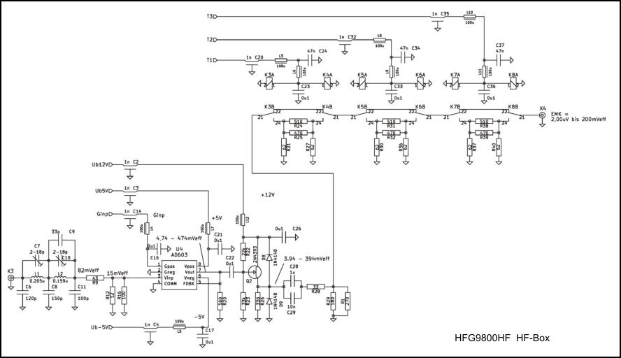
HFG9800HF  HF-Box

Die HF-Box

Die Ausgangs-Pegel des Messsender müssen einstellbar sein. Diese Aufgabe erfüllt die HF-Box. Wichtig ist auch eine gute Schirmung damit die Ausgangspegel auch wirklich bis auf 1,0uV an 50 Ohm einstellbar sind. Der HF-Pegel von der DDS-Platine beträgt 82mVeff. Die Verbindung zur HF-Box erfolgt über ein 50Ohm Koaxkabel und HF-Stecker. Vom Ausgang der HF-Box zur Frontplatte habe ich ein fertiges gut abgeschirmtes Koaxkabel mit beidseitigen Koaxsteckern verwendet. Von der DDS-Platine kommt die HF über X3 über einen Tiefpass zum AD603. Die beiden Spule L1 und L2 bestehen aus 6 Windungen 0,56CuL, Innendurchmesser 6 mm. Ein Abgleich erfolgt durch dehnen. Das Foto zeigt dessen Frequenzgang von X3 zum Ausgang X4. Zwischen Tiefpass und AD603 ist ein Teiler bestehend aus 3 Widerständen. Der teilt die HF von 83mV auf 15mV herunter. Das ist nötig damit der AD603 nicht übersteuert wird. Wegen der AM ist eine Reserve von 100% nötig. Der AD603 kann die HF um 40dB variieren. Das geschieht über Pin 1 mit einer Stellspannung von +/-0,58V. Die kommt vom Poti auf der Front. Dieses Poti hat eine Skala von -14dBV bis -54dBV was einer EMK von 0,2V bis 2mV entspricht. Der AD603 wird symmetrisch mit +/-5V betrieben. Der AD603 gibt an Pin7 die HF an einen Widerstand von 500 Ohm aus. Der FET (2N4393) wandelt die Impedanz von 500 Ohm nach 50 Ohm. Zur genauen Anpassung dienen die Widerstände R28 und R29. Der R1 wurde noch zur Korrektur eingelötet. Die Dioden D8 und D9 sollen die Schaltung schützen falls mal eine zu hohe Spannung von außen angelegt wird. Darauf folgen die drei 50 Ohm Pi-Teiler zu je 20dB. Jeder Teiler wird mit 2 kleinen Relais (Typ SY-12W-K) umgeschaltet. Insgesamt kann der Ausgangspegel um 100dB verändert werden.
45,6MHz

Der mechanische Aufbau

Der Messender wurde in ein kleines Schroff-Gehäuse eingebaut. HF-Box Koaxkabel zur BNC-Buchse auf der Front Netzteil und NF Die Frontplatte von hinten. Die Befestigungen, bestehend aus Alublech wurden mit Kleber RK1500 verklebt. Die DDS-Platine etwas verändert weil dort ein Drehschalter Platz braucht. Der Optokoppler H11F1 Hier waren mal 4 Potis, wurden wegen Platzmangel entfernt Die HF-Box, Gehäuse aus Weißblech 161x68x16mm alle Steuerleitrungen mit DuKos = 1nF abgeblockt Platine mit den AD603, die SMD-Teile sind auf der Unterseite. Die beiden Spulen und Trimmkos vom 45MHz-Tiefpass Eingangsbuchse Ausgangsbuchse         50 Ohm-Pi-Teiler

Die Messwerte

Messsender = 10MHz, die 20MHz-Oberwelle ist 43dB kleiner                Messsender = 40MHz, die 80MHz-Oberwelle ist 43dB kleiner Spektrum von 0 bis 25,6MHz                                                                  Spektrum von 0 bis 225MHz Die Pegel ganz links kommen nicht aus den Messsender sondern werden von anderen Geräten eingestreut (Steckernetzteil, LED-Leuchte, PC usw)
50% AM 1kHz
50% AM 10kHz
100% AM 1kHz
100% AM 100Hz Dreieck
100% AM 1kHz Dreieck
100% AM 10kHz Dreieck
200% AM 100Hz Dreieck
100Hz extern Rechteck
1kHz extern Rechteck
Der Optokoppler H11F1 ist leider sehr langsam, deshalb ist die Modulation mit 10kHz verzerrt wie man auf den Fotos sieht. Der Ausgangspegel bleibt über den Bereich bis 45MHz um etwa +1dB/-2dB konstant. Kein absolut guter Wert aber brauchbar. Ob der Pegel sich bis auf 2uV absenken lässt kann ich nicht mehr messen. Aber im Test mit meinen großen KW-Empfänger (”Stahlradio”) kann ich wenigstens abschätzen das es so ist. Leider kommen im unteren Frequenzbereich auch Signale von den PICs (vermutlich) am Ausgang raus. Ebenso Störungen vom Steckernetzteil. Ich sollte mir ein solches mit Netztrafo beschaffen. Die Frequenz lässt sich mit der CAL-Funktion auf Sollwert eichen. Nach einer Einlaufzeit von etwa 0,5 Stunden bleibt die Frequenz konstant. Mit meinen Zähler (hat einen Quarzofen) ist in den angezeigten 7 Stellen auch nach mehreren Stunden keine Änderung mehr sichtbar.

Downloads

Dieses Projekt habe ich aus bereits vorhanden Teilen gebaut. Deshalb ist es nicht unverändert als Bauanleitung geeignet. Trotzdem kann man es als Vorlage für eine eigene Version verwenden. Die Schaltung ist mit KiCAD Version 4 erstellt. Die Baugruppen sind als einzelne Projekte erstellt worden: HFG9800 ist die gesamte Schaltung, ohne Layouts HFG9800NF ist die Platine Netzteil und NF, mit Layout HFG9800HF ist die HF-Schaltung wie hier im Bericht, ohne Layouts HFG9800Pegel ist der Teil aus HFG9800HF mit den AD603, mit Layout HFG9800Eichleitung sind die 20dB HF-Teiler aus HFG9800HF, mit Layout Alle Platinen habe ich auf meiner Fräse gefertigt und sind entsprechend entworfen worden. Man wird sie überarbeiten müssen. Die Platine HFG9800NF ist eine einseitige Platine, die Drahtbrücken sind auf der Bestückungsseite als Leiterbahnen gezeichnet. Die Platine HFG9800Pegel ist etwas komplizierter weil ich beide Kupferseiten als GND-Fläche verwende.