Peter Hofbauer’s private Homepage
Selbstbauprojekte eigene Entwicklungen
Impressum Letzte Änderung: 08.Juli 2013 Copyright: frei! Impressum Letzte Änderung: 16. November 2019 Copyright: frei!

HF-Meßplatz mit Spektrumanalyzer, Meßsender, Wobbler und HF-Voltmeter , Seite 1/7

Bei einer www-Aktion habe ich für sehr wenig Geld einen defekten Tektronix “1481R Waveform Monitor” gekauft. Nach einer Überprüfung war sicher, das die Bildröhre und das Netzteil noch 100% funktionsfähig waren. Das Gerät war innen klar in 3 Gruppen aufgeteilt: auf der rechten Seite ist das Netzteil, in der Mitte die Bildröhre und links die Signalverarbeitung. Daraus werde ich einen Spektrumanalyzer bauen, war meine erste Idee. Das wird eine neue Entwicklung. Die Signalverarbeitung auf der linken Seite wurde entfernt und stattdessen ein Chassis in Form einer Aluplatte für die neue Schaltung vorgesehen.  

Das Prinzip dieses Spektrumanalyzers

Dieser Bericht ist keine Bauanleitung. Er kann nur als Erfahrungsbericht und Informationsquelle für eigene Projekte dienen.
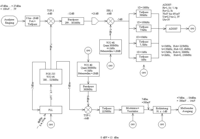
Als VCO wird der POS-535 von Mini-Circuits verwendet. Er wird vom Prozessor in einer PLL-Regelschleife gesteuert. Vorgesehen ist ein 1kHz- Raster. Der Frequenzumfang des POS-535 reicht von 300MHz bis 525MHz. Daraus ergibt sich eine Eingangsfrequenz von 0 bis 225MHz und eine ZF von 300MHz. Die Eingangsfrequenz wird im Ringmischer TUF-1 mit der Frequenz vom VCO #1 gemischt. Darauf folgt  ein 300MHz-Bandpass für die ZF und  ein Verstärker. Von dort gehts zum 2. Mischer mit den Ringmischer SBL-1. Die 300MHz-ZF wird mit 300MHz vom Quarzoszillator VCO#2 gemischt. Ich verwende das Prinzip der Direktmischung. Das Ergebnis ist eine NF. Auf normalen analogen Anzeigen würde man 2 Kurven nebeneinander sehen. Mit einer Nullstellung (bzw DC) in der Mitte. Die Direktmischung hat folgende Vorteile: 1.) die Spiegelfrequenz gehört zum Nutzsignal 2.) statt ZF-Filter für die Meßbandbreite genügt ein NF-Tiefpass. Der kann einfach berechnet werden und benötigt nur Strandardbauteile. 3.) geringerer Schaltungsaufwand Das Prinzip hat aber auch Nachteile, die im noch beschreiben werde. Auflösung, Bandbreite und Frequenzhub sind auf den Bildschirm angepasst. Es ist unsinnig höher aufzulösen als es auf dem 100mm des Bildschirms zu erkennen ist. Die 100mm Breite des Bildschirms werden in 256 Teilen digital verwaltet, das ergibt eine maximale Auflösung von 0,39mm. Der Analyzer soll mit 4 Bandbreiten arbeiten: 1.) voller Hub von 0 bis 224,400MHz, in 880kHz-Schritte digitalisiert, Meß-Bandbreite 1MHz 2.) Hub 25,6MHz, 100kHz-Schritte, über den ganzen Bereich verschiebbar, Meß-Bandbreite 160kHz 3.) Hub 2,56MHz, 10kHz-Schritte, über den ganzen Bereich verschiebbar, Bandbreite 10kHz 4.) Hub 0.256MHz, 1kHz-Schritte, über den ganzen Bereich verschiebbar, Bandbreite 3kHz Die NF gelangt durch einen 4-Kanal Tießpaß zum logarithmischen Demodulator AD8307. Das Ergebnis ist eine Gleichspannung von 0.3V bis 2.3V. Diese DC gelangt dann zum Analogeingang auf der CPU-Platine. Der Tiefpaß wird mit Relais umgeschaltet. Der Tiefpaß hat einen sehr steilen Abfall von über 80dB nach einer Oktave. Das dürfte für diesen Zweck ausreichen. Durch Zufall könnte bei der Direktmischung einfach nur DC oder eine Frequenz unterhalb von 10Hz entstehen. Das kann nicht mehr genau verarbeitet werden. Um dies zu verhindern wird der 300MHz-Quarzoszillator mit einem Frequenzsprung von etwa 600Hz während der Messung gesteuert. Dieser Oszillator kann über den Eingang “AFC” um maximal +/- 1kHz gezogen werden. Deshalb spreche ich auch von einen “VCO”.

Prinzip des mitlaufenden Meßsenders (Tracking-Generator)

Der VCO #1 hat 3 Ausgänge, je einen für den Spektrumanalyzer, für die PLL-Regelung und für den Meßsender. Mit einen zweiten 300MHz- Quarzoszillator VCO#3 wird mit einen Ringmischer TUF-1 die Frequenz für den Meßsender generiert. Der bereits vorhandene 300MHz- Oszillator (VCO #2) für den Analyzer kann dafür nicht verwendet werden. Den Fehler hätte ich beinahe gemacht. Warum? Wegen der Direktmischung gibt es dann immer nur 0Hz, also DC, als Ergebnis. Der getrennte Oszillator hat noch einen Vorteil. Die Frequenz des Meßsenders kann mit einen einfachen Poti um +/- 1kHz eingestellt werden. Zwischen VCO #3 und Mischer wird ein 300MHz-Bandpaß geschaltet als Oberwellen-Sperre. Am Ausgang des TUF-1 folgt ein 225MHz-Tiefpaß mit den selben Zweck. Dann folgt ein Breitbandverstärker mit Pegelregler. Das Ziel ist eine konstante und geeichte Ausgangsspannung. Der Verstärker hat in der ersten Stufe einen Dualgate-FET BF998. Dieser wird als Pegelsteller verwendet. Das funktioniert nur mit kleinen Pegeln. Sonst steigen die Verzerrungen und in dessen Folge zu starke Oberwellen. PIN-Dioden kann ich hierfür nicht einsetzen weil der Meßsender ab 100kHz arbeiten sein soll. PIN-Dioden aber erst über 1MHz. Dann folgen 3 Stufen mit Transistor BFR96S. Die maximale Ausgangsspannung beträgt 3dBm (316mV) an einer Last von 50 Ohm. Der Breitbandverstärker ist mit SMD-Bauteilen aufgebaut. Am Ausgang des Breitbandverstärkers folgt ein 50-Ohm Eichteiler. Die besteht aus 7 hintereinder geschaltete Pi-Abschwächer. Insgesamt kann der Pegel in 1dB-Schritte von +3dBm bis -92dBm abgeschwächt werden. Die 1dB und 2dB (und damit auch 3dB) -Abschwächung erfolgt mit Hilfe des Pegelreglers, die 4dB, 8dB und fünf mal 16dB sind als Widerstandsschaltung mit HF-Relais verwirklicht. Der Breitbandverstärker ist mit den Eichteiler in ein Gehäuse, das ich aus einen Aluminiumblock heraus gefräst habe. Der Meßsender kann mit etwa 30% AM, 1kHz moduliert werden. Der Meßsender kann auch als Wobbler betrieben werden. Der Hub kann in 2kHz-Stufen von 2 bis 254kHz eingestellt werden. Wenn der Hub auf 0 gestellt wird haben wir einen präzisen Meßsender.

Das fertige Gerät, die technischen Daten

1.) Der Analyzer

Eingangsspannung, maximal: -20dBV = -7dBm = 100mV Meßumfang: etwa 80dB Rauschenpegel: Bereich 1MHz-Bandbreite: -76dBm = 35uV Bereich 160k-Bandbreite: -84dBm = 14uV Bereich 10k-Bandbreite: -88dBm = 9uV Bereich 3k-Bandbreite: 86dBm = 11uV Meßgenauigkeit: +/-2dB mit Kalibrierautomatik:+/-0,2dB Frequenzbereich: obere Grenze: 224,400MHz untere Grenze des Mischers laut Hersteller: 2MHz, ab 100kHz sind Messungen aber möglich Abweichungen unter 2MHz, ca.: 1MHz = -1,2dB 0,5MHz: -2,3dB 0,25MHz: -2,6dB 0,1MHz: -6dB Unter 30kHz ist nichts mehr erkennbar, vor allem wegen der dann sichtbaren Nullstelle. Auflösung der Frequenz: 1kHz Frequenzdrift: +/- 100Hz nach 30 Minuten, Testfrequenz: 120MHz Bandbreiten und Hub: 1kHz und 256kHz 10kHz und 2,56Mhz 160kHz und 25,6MHz 1MHz und 224,4MHz Zykluszeit des Analyzers: 3s

2.) Der Meßsender (Tracking-Generator)

Ausgangsspannung an einer Last von 50 Ohm: max. 3dBm (316,2mV) min -92dBm (5,6uV) Genauigkeit der Ausgangsspannung 2MHz bis 224MHz: +/- 0,1dB 0,5MHz bis 2MHz: +/-0,2dB darunter bis 100kHz: +/-0,4dB Feineinstellung der Frequqnz: +/-1kHz Modulation: AM 30% 1kHz Wobbler: Hub von 2kHz bis 254kHz, symmetrisch um die eingestellte Frequenz, Zykluszeit im Wobblermod: 0,4s
Vorher
Nachher

Die Entwicklung

Die einzelnen Baugruppen waren alle vorher getestet worden. Dann mußte die Software entwickelt werden damit der VCO mit der PLL in Betrieb geht. Gegenüber dem ersten Entwurf sind im Laufe der Entwicklung viele Änderungen im HF-Teil nötig gewesen. Erster Versuch: Inbetriebnahme der PLL Zwischendurch habe ich mal die PLL für eine feste Frequenz (420MHz) des VCO getestet. Funktioniert einwandfrei! Was mich dabei wundert? Als VCO verwende ich den POS-535 von MiniCircuits. Den habe ich mal testweise mit festen Spannungen in Betrieb genommen. Die Frequenz war unwerwartet unstabil. Obwohl ich gut stabilisierte Spannungen mit aufwendigen Siebketten gegen Rauschen verwendet habe, flatterte die Frequenz bis in die 10kHz-Stelle nervös. Ich hatte den Effekt mit Rauschen erklärt. Vor allem auf der Regelspannung. Jetzt wundert mich aber das die PLL die Frequenz bis in die tiefste Stelle festhält. Auf der Regelspannung kann ich nur eine DC sehen, mal abgesehen von den normalen rauschen des DigiSkops. Zweiter Versuch: wie schnell kann die PLL die Frequenz einstellen? Leider nicht schnell genug. Es sollte theoretisch 25ms dauern, in der Praxis ist der Wert aber nicht zu erreichen. Die Zeit ist so lang wegen der Auflösung von 1kHz. Schneller kann es eigentlich auch nicht gehen. Deshalb kommt jetzt Plan B: Die Referenzfrequenz wird mit einer DDS-Schaltung erzeugt. Die PLL arbeitet mit einer festen Teilung und einer Auflösung von etwa 1MHz. Dadurch regelt die PLL unter 1ms. Die Referenzfrequenz von der DDS bestimmt jetzt die Frequenz. Der Messzyklus für einen kompletten Bereich dauert jetzt 3 Sekunden Dritter Versuch: VCO#1 (POS-535) testen Das Frequenzspektrum des VCOs zeigte bei einigen Frequenzen auf den Analyzer ein seltsames Bild. Weil ich mir das nicht erklären konnte, wurde ein neues Exemplar bestellt. Leider zeigte das neue Teil den selben Effekt. Meßfehler? Darauf habe ich mir von meinen Freund einen HAMEG Analyzer 5011 geliehen. Der zeigte ein ganz anderes Bild. Das Spektrum des VCOs war bei allen Frequenzen OK. Die Ursache war ein leichtes jittern der Frequenz. Es war also ein Meßfehler! Ab jetzt habe ich mit den HAMEG-Speki weiter gearbeitet.
So müsste es ausehen!
Vierter Versuch: 300MHz mit bedrahteten Bauteilen, geht das? Eigentlich wollte ich nur Bauteile verwenden, die ich in meinen Hobby-Lager habe. Ein 50-Ohm 300MHz-Pass wurde mit Ltspice berechnet und in konventioneller Technik aufgebaut. Mit Meßsender und Analyzer wurde der Pass getestet. Alle 3 C-Trimmer konnte man einwandfrei auf 300MHz abgleichen. Deshalb war ich der Ansicht, das nichts gegen konventionelle Technik spricht. Das war ein Irrtum! Der Test wurde mit dem Hameg-Speki und seinen Trakinggenerator wiederholt. Tatsächlich waren um 300MHz 3 Höcker zu sehen. Die konnte man mit den Trimmer auch verändern. Aber im Bereich zwischen 100MHz und 150MHz war auch eine Durchlasskurve sichtbar. Irgendwann habe ich die 2 Spulen des Parallelkreises einfach entfernt. Jetzt war die untere Durchlasskurve nicht mehr vorhanden. Aber seltsamerweise die 300MHz-Höcker immer noch vorhanden und auch abgleichbar. Damit war wohl bewiesen: so einfach ist es in diesen Frequenzen nicht mehr! Ab jetzt habe ich, wo angebracht SMD-Technik eingeplant.

Erste Inbetriebnahme

Der HF-Teil wurde ohne Tektronix-Gruppe in Betrieb genommen. Die Betriebsspannungen kommen von zwei Labornetzteilen. Meinen Analyzer habe ich mit DigiSkop am Ausgang des AD8307 sichtbar gemacht. Ein paar Probleme und wie sie beseitigt wurden soll hier kurz beschrieben werden. Erstes Problem: viele falsche Signale Zuerst ist ein Spektrum mit sehr vielen Frequenzen sichtbar. Mit konstanter Frequenz und konstanten Pegel. Von außen können die Signale nicht kommen, der Hameg zeigt nichts an. Störungen von der CPU-Platine? Die CPU-Platinen wurden außer Betrieb genommen und der VCO mit einer Sägezahnspannung vom Funktionsgenerator gesteuert. Die Signale waren danach immer noch da. Die CPU ist also unschuldig. Die obere gelbe Kurve zeigt die Steuerspannung für den VCO. Die Frequenz des Analyzers geht von 0 bis 250MHz. Die untere blaue Kurve zeigt das Spektrum am Ausgang des AD8307. Der 300Mhz-Oszillator wurde versuchsweise durch meinen Präzisions-Meßsender ersetzt. Dabei entstand dieses Bild: Das sieht schon deutlich besser aus. Damit war sicher: die Signale entstehen im Gerät durch diverse Kreuzmodulationen mit den Harmonischen der Oszillatoren. Eine Verbesserung wurde durch folgende Maßnahmen erreicht: 1. hohe Trennschärfe im 300MHz ZF-Teil mit Hilfe eines 4-Kreis Helixfilters 2. bessere Unterdrückung der Harmonischen der 300MHz-Oszillatoren Danach waren alle falschen Signale komplett beseitigt. Die CPU-Platine benötigt keine Abschirmung. Nur über den DDS-Generator habe ich eine Abschirmung gesetzt. Zweites Problem: Phasenrauschen Bei der Verwendung eines VCOs mit PLL-Regelung entsteht zwangsläufig Phasenrauschen. Jedenfalls wesentlich mehr als bei einen rein analogen VCO. Sichtbar wird diese Rauschen beidseitig neben einer Frequenz. Sieht in etwa wie ein Tannenbaum aus. Gänzlich beseitigen konnte ich es nicht, aber auf ein erträgliches Maß reduzieren. Dazu waren u.A. vier Ursachen verantwortlich und folgende Maßnahmen nötig: 1.) Störungen auf der Regelspannung des VCO über die GND-Verbindung. Abhilfe wurde erreicht indem der OP für die I/U-Wandlung mit Reglenetzwerk von der CPU-Platine direkt in das VCO-Gehäuse verlegt wurde. Der PLL-Baustein ADF4110 liefert keine Regelspannung. Er hat eine positive und negative Ladungspumpe, die einen konstanten Strom (Höhe ist programmierbar) ausgibt. Die Information ist in der Zeit/Frequenz und muß erst in Spannung gewandelt werden, was jetzt direkt im VCO-Baustein erfolgt. 2.) Störungen auf der Betriebsspannung. Die Siebung wurde verbessert. 3.) Die RC-Kombinationen im Regelfilter wurde durch Versuche soweit verändert bis das es nicht mehr besser wird. Diese Schaltung kann man auch mit einer Software von AnalogDevices berechnen. Aber: die von mir ermittelten Werte weichen davon stark ab. 4.) der DDS-Generator mußte geändert werden. Zunächst hatte ich den Digitalausgang vom DDS-Ic AD9850 verwendet weil an diesen die Spannung groß genug war. Die Spannung am Sinusausgang des DDS-Moduls war zu gering. Dann habe ich einen Verstärker für den Sinus mit Auskopplung über HF-Trafo nachgerüstet. Das hat ebenfalls das Phasenrauschen etwas verringert. Drittes Problem: zu hohes Grundrauschen. Ohne Eingangssignal lieferte der AD8307 schon eine zu hohe Spannung. Ursachen sind: 1.) das NF-Signal vom Direktmischer beträgt maximal 500kHz. Der AD8307 kann aber Signale bis 500MHz verarbeiten. Über irgendeinen Weg kamen HF-Signale, die nicht mehr auf den Oszilloskop sichbar sein können in den IC. Abhilfe brachte eine HF-Sperre direkt am AD8307. 2.) Rauschen auf der Betriebsspannung gelangten über den Arbeitswiderstand der Transistoren im NF-Verstärker über die Tiefpässe zum AD8307. Abhilfe wurde durch Einsatz eines OPs statt Einzeltransistoren erreicht. 3.) restliches normales Rauschen war zu hoch. Auch die Bauteile im NF-Tiefpass rauschen recht fleißig. Abhilfe wurde durch einen andere Verteilung der Verstärkungen erreicht. Die Verstärkung im ZF wurde erhöht. Und die Spannung vor den NF-Tiefpässen erhöht und nicht erst an dessen Ausgänge. Viertes Problem: stark schwankendes Meßergebnis. Das Meßergebnis war um bis zu 20dB laufend am schwanken. Das hatte zwei Ursachen: 1.) Unter einer NF-Frequenz von etwa 500Hz steigt die Meßspannung umgekehrt proportional zur Frequenz an. Ursache ist der AD8307. Der Frequenzgang des AD8307 soll von DC bis 500MHz reichen. Aber das stimmt nur wenn man den arithmetischen Mittelwert der Ausgangsspannung auswerten kann. Ich kann nur den Spitzenwert auswerten. Die Spannung am Ausgang des AD8307 muß mit einen großen Kondensator am Pin 3 geglättet werden wenn man bis zu ca. 20Hz herunter auswerten muß. Geht hier aber nicht, es dauert dann zu lange. Abhilfe wurde erreicht durch absenken der unteren Grenzfrequenz des NF-Verstärkers und einen kleinen Kondensator am Pin3. 2.) Der zeitliche Ablauf im Zyklus verursachte Fehlmessungen. Die Zeiten im Ablauf der Software (PLL!) wurde entsprechend optimiert. Fünftes Problem: bei Einganssignalen über -7dBm erscheinen falsche Harmonischen. Dieser Effekt liegt am Ringmischer TUF-1 und ist leider nicht zu ändern. Um eine Dynamik von 80dB zu erreichen, habe ich die untere Meßgrenze versetzt. Der maximale Pegel am Eingang sollte wenn möglich -20dBm nicht überschreiten. Bis -7dBm kann man das Signal aber noch beurteilen. Dann erreicht das Signal die obere Bildkante.  
Dieses Ergebnis ist falsch!
Home HF-Messplatz S.1 HF-Mess. S.2 HF-Mess. S.3 HF-Mess. S.4 HF-Mess. S.5 HF-Mess. S.6 HF-Mess. S.7
Hinweis: so war es geplant, die endgültige Auaführung weicht davon etwas ab
Home nächste Seite HF-Messplatz S.1 HF-Messplatz S.1