Peter Hofbauer’s private Homepage
Selbstbauprojekte eigene Entwicklungen
Impressum Letzte Änderung: 08.Juli 2013 Copyright: frei! Impressum Letzte Änderung: 22. August 2021 Copyright: frei! Labornetzgeräte Hier werde ich alle von mir entwickelten Labornetzgeräte vorstellen 3.) Labornetzgerät +/- 25V/2A

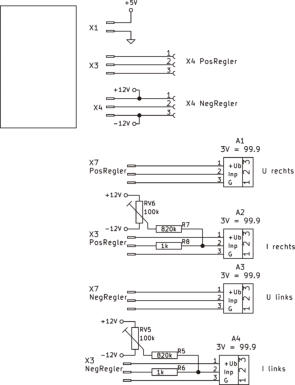
Universal-Schaltung

Das Gerät besteht aus zwei unabhängige Schaltungen, je eine für die positive und negative Spannung. Beide Schaltungen arbeiten über einen gemeinsamen Gegenpol (= GND). Diese neue Schaltung sollte: alle Sollwert Eingänge von 0 bis 5V, positiv, auch für die negative Schaltung alle Messausgänge für Spannung und Strom positiv, maximal 5V Einstellungen und Anzeige sollen im Bereich von 0 bis +5V sein, damit der Einsatz einer CPU möglich ist externe Steuerspannung möglich symmetrische (* / -) oder einzelne Einstellung möglich auch für andere Spannungen und Ströme einfach zu modifizieren

Schaltungs Beschreibung: positiver Regler

Der Sollwert für die Ausgangsspannung kommt über X6.1 zum Spannugsregler mit U1A. Der Sollwert für die Strombegrenzung kommt über X6.2 zum Stromregler mit U1E. Voher wird mit U1D die Eingansspannung von 0 bis 5V auf den Wert von 2A * 0,1 (R5) = 0,2V herabgesetzt. Über X1 kommt eine Spannung von etwa 28 bis 40V (je nach Belastung) vom Leistungsgleichrichter. Der Leistungs-VMOS Q1 wird vom Transistor Q2 gesteuert. Der Transistor Q2 hat eine wichtige Aufgabe: er trennt die kleine Spannung der OPs (+/-12V) von der höheren Spannung des Leistungsteiles. Der Emitter wird vom Spannungsregler, die Basis vom Stromregler gesteuert. U1B verstärkt die Spannung vom Shunt R5 (0,2V) auf einen für die Digitalanzeige nötigen Wert. Am X3 ist eine Digitalanzeige für den Strom angeschlossen. X2 ist der Ausgang, an X7 ist eine Digitalanzeige für die Spannung angeschlossen. An X5 ist eine grüne LED, die zeigt den aktiven Stromregler an. Die LED erlischt wenn die Strombegrenzung aktiv ist. An X4 ist ein kleines Netzteil für die Versorgung der OPs von +/-12V angeschlossen. Dieses Netzteil versorgt auch den negativen Teil.

Schaltungs Beschreibung: negativer Regler

Der Sollwert für die Ausgangsspannung kommt über X6.1 zum Spannugsregler mit U1E. Vorher wird dieser Sollwert ins negative mit U1D invertiert. Der Sollwert für die Strombegrenzung kommt über X6.2 zum Stromregler mit U1A. Ein Spannungsteiler (RV3, R14, R15) teilt von 5V auf 0,2V herunter. Über X1 kommt eine Spannung von etwa -28 bis -40V (je nach Belastung) vom Leistungsgleichrichter. Der Leistungs-VMOS Q1 wird vom Transistor Q2 gesteuert. Der Transistor Q2 hat eine wichtige Aufgabe: er trennt die kleine Spannung der OPs (+/-12V) von der höheren Spannung des Leistungsteiles. Der Emitter wird vom Spannungsregler, die Basis vom Stromregler gesteuert. U1B verstärkt die Spannung vom Shunt R5 (0,2V) auf einen für die Digitalanzeige nötigen Wert und invertiert die Polarität.  Am X3 ist eine Digitalanzeige für den Strom angeschlossen. X2 ist der Ausgang, an X7 ist eine Digitalanzeige für die Spannung angeschlossen. U2A invertiert die negative Ausgangsspannung ins positive und verkleinert in einen für die Digitalanzeige nötigen Wert. An X5 ist eine grüne LED, die zeigt den aktiven Stromregler an. Die LED erlischt wenn die Strombegrenzung aktiv ist. An X4 ist ein kleines Netzteil für die Versorgung der OPs von +/-12V angeschlossen. Dieses Netzteil versorgt beide Regler.

Schaltungs Beschreibung: kleines Netzteil für +/-12V und 5V

Platine NTP9050
Dieses kleine Netzteil liefert mit U3 +12V für die OPs und die Betriebsspannung der vier Digitalanzeigen. Der Stabi U4 liefert die -12V für die OPs und U1 liefert 5V für die Sollwerte. Die Stabilität dieses 5V- Stabis ist absolut ausreichend. Der Stabi U3 benötigt einen kleinen Kühlkörper weil er auch die Digitalanzeigen dran hat. Der Netztrafo T1 liefert 12V / 4VA.

Schaltungs Beschreibung: komplettes Gerät

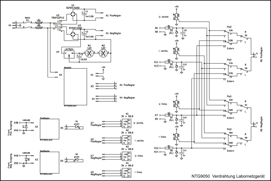
Das Labornetzgerät besteht aus 3 Platinen: 1. NTP9050 kleines Netzteil 2. NTP9051 positiver Regler 3. NTP6052 negativer Regler Der Leistungsteil besteht aus den Trafo U2 mit 2 getrennten 24V-Sekundärwicklungen, den beiden Brücken U1 und U3 und den Siebelkos C1 und C2. Die Ausgänge X38/X40 und X48/X50 sind mit Dioden versehen, damit eine Serienschaltung beider Regler möglich ist. Die LEDs D1 und D2 sitzen unter den Spannungsanzeigen und zeigen die aktive Spannungsregelung an. A1 bis A4 sind 3-stellige Digitalanzeigen. Auf der Linken Hälfte des Schaltplanes ist die Verdrahtung für die 3 Sollwerte zu sehen. Es sind alle möglichen (und unmöglichen?) Variationen zur Einstellung der Spannungs und Stromwerte möglich. Die Schalter sind unter den dazugehörenden Digitalanzeigen angeordnet. Man kann die Sollwerte für jeden Regler beliebigen Quellen zuordnen: Spannung vom linken Spannungspoti oder vom linken externen Eingang Spannung vom rechten Spannungspoti oder vom rechten externen Eingang Strombegrenzung vom linken Strompoti oder vom linken externen Eingang Strombegrenzung vom rechten Strompoti oder vom rechten externen Eingang
Auf diesen Foto ist die Funktion der Schalter, Potis und Buchsen gut zu erkennen. Die externen Sollwerteingänge sind im Schaltplan als X6, X8, X11, X7, X9, X12 und X14 beziffert, bestehen aber aus 4mm-Buchse und parallel dazu einer BNC-Buchse. Die Eingänge sind wie das komplette Labornetzgerät nicht mit dem Gehäuse verbunden. Die Buchsen sind isoliert montiert. Nur die Erd-Buchse auf der linken Seite der Front ist mit Gehäuse und PE verbunden. Die GND-Buchsen am Ausgang X40 und X50 sind hinter der Front direkt auf das M4-Gewinde der Bochsen mit Messingblech verschraubt. Daran sind die Power-GND-Leitungen von den Reglern aufgelötet. Diese Stelle ist der zentrale GND-Punkt. Die GND-Leitungen von den Potis und den externen Eingängeng sind darauf aufgelötet. Der 5V-Anschluss vom kleinen Netzteil geht direkt zu den Potis. Das alles ist wichtig um einen geringen Innenwiderstand zu erreichen.  

Der mechanische Aufbau

Das Gehäuse besteht aus Alubleche und Seitenteile aus schwarzen POM. Die Teile sind mit 2,5x5x10mm Gewindeblöcke verschraubt. Diese Gewindeblöcke haben auf allen Seiten M3-Gewinde. Die Seitenteile wurden auf meiner Eigenbau-CNC angefertigt. Sie haben 3mm tiefe Nuten zur Aufnahme der Bleche erhalten. Die Leistungstransistoren habe je einen Kühlkörper, die mit 2 Lüfter gekühlt werden.              
Aller Bleche wurden auf der CNC aus einer grösseren Aluplatte herausgefräst. Inclusive aller Löcher und Lüftungsschlitze.
Positiv-Regler NTP9051
Negativ-Regler NTP9052
kleines Netzteil NTP9050
Die Platinen wurden auf der CNC nach der Voronoi-Metode gefräst. Dadurch entstehen großflächige Leiterbahnen was bei so ein Netzgerät von großen Vorteil ist. Der Power-Netztrafo wurde durch zwei alte, vorhandene Ringkerntrafos ersetzt.
Mit solchen M3- Gewindblöcken sind die Gehäuseteile verschraubt. Diese sitzen z.B. unter der unteren Montageplatte, so das dort ein Raum von 5mm höhe für alle Schraubenköpfe und Verschlüsse der Kabelbinder entsteht.

Die elektrischen Eigenschaften

Innenwiderstand Der statische Innenwiderstand ist mit etwa 3mR sehr niedrig und mit meinen Mitteln (4stelliges DVM) nicht genau genug zu messen. Der dynamische Innenwiderstand ist nur mit einer elektronischen Last richtig meßbar. Die habe ich leider nicht, wird vielleicht mein nächstes Projekt. Mit einfachen Mittel (R und Digiskop) nicht feststellbar. Reaktionsgeschwindigkeit der Strombegrenzung Dazu habe ich möglichst ohne Wackelkontakt einen Widerstand zur Belastung verwendet und die Ausgangsspannung für beide Regler aufgenommen.
Stabilität der Ausgangsspannung Nach einen Dauerbetrieb von 24 Stunden hatte sich die Ausgangsspannung bis zur letzten Stelle nicht verändert. Regelverhalten Das Labornetzgerät kann über externe Eingänge gesteuert werden. Dazu habe ich an den BNC-Buchsen einen Funktionsgenerator angeschlossen. Die Eingangspannung vom Generator (0...5V die gelbe Kurve unten) und die Ausgangsspannung des Labornetzgerätes (0...25V die blaue Kurve oben) wurde mit meinen Digiskop aufgenommen. Die Last beträgt 51 Ohm. Die obere Reihe zeigt den positiven Regler, darunter den negativen.
Diese Aufnahmen zeigen die Wirkung der Strombegrenzung auf die Ausgangsspannung
Hier wurde der Funktionsgenerator an die BNC-Buchse  für die externe Strombegrenzung angeschlossen. Die Abflachung der Ausgangsspannung entsteht weil der Last-R nicht genug Strom durchlässt. An der Stelle kann die Strombegrenzung (wie es sein soll) nicht mehr wirken.

Zum Schluß

Das Gerät habe ich zu 90% mit bereits vorhandenen Teilen aufgebaut, was ich mir auch zur Bedingung gemacht hatte. Mit den Ergebnis bin ich zufrieden. Ob ich die vielen Schalter und Eingänge jemals verwendet werden, steht in den Sternen. Aber die Möglichkeiten sind nun mal vorhanden. Die Digitalanzeigen sind Voltmeter bis 99,9V. Die sind von mir geändert worden. Die integrierten Vorwiderstände habe ich überbrückt. Bei einer Eingansspannung von 0,6V wird jetzt 20.0 angezeigt. Der Eingangswiderstand beträgt 8,2k. Leider kann man den Dezimalpunkt nicht verändern. Für die Strom-Anzeige müste er um eine Stelle nach links. Die Anzeigen sind nicht genau, aber es reicht. Es werden 3 Digits zu wenig angezeigt. Beispiel: statt 010 wird 007 angezeigt. Bei den Stromanzeigen macht sich noch (wegen der geringen Spannung am Shunt von 0,2V) die Offsetspannung des OPs bemerkbar. Ich habe einen passenden TL084 aus mehreren ausgesucht. Meine ICs bekommen grundsätzlich immer Fassungen damit sowas einfach möglich ist. Das selbst gebaute Gehäuse ist für den Zweck gut geeignet und ausreichend stabil. Das nächste mal werde ich für die Seitenteile nicht mehr POM verwenden. Das ist zwar stabil, aber etwas schwierig zu fräsen. Ich mußte mühsam eine Menge Grat entfernen, das POM fasert mächtig. Die Verschraubung mit den M3-Gewindeblöcken ist ideal, leider sind die Dinger etwas teuer. Die verwendeten Kühlkörper sind eigentlich zu klein. Die Verlustleistung der Leistungs-VMOS beträgt bei Kurzschluss am Ausgang etwa 60W. Deshalb habe ich Lüfter vorgesehen. Ob das ausreicht ist noch nicht sicher, werde ich beobachten müssen. Deutlich größere Kühlkörper wären besser gewesen. Für den Leistungsteil habe ich 2 vorhandene Ringkerntrafos verwendet. Primär parallel und Sekundär in Reihe geschaltet. Das ergibt potentialfreie zwei mal 24VAC bei maximaler Belastung mit 2,8Aeff. Im Leerlauf habe ich etwa 40VDC, bei voller Belastung sind es 29VDC an den Ladeelkos.

Downloads

Die Schaltpläne und Layouts sind mit KiCAD gezeichnet worden. Es funktioniert am besten, wenn die Dateien in ein eigenes Verzeichnis entpackt werden: NTG9050.ZIP (43kB) NTG9050 = komplette Schaltplanstruktur, 4 Seiten,  ohne Layouts NTP9050 = kleines Netzteil mit Layout NTP9051 = positiver Regler mit Layout NTP9052 = negativer Regler Mit Layout Die Layouts sind einseitig mit wenigen Drahtbrücken. Im Layout habe ich alle Leitungen mit 1mm Breite gezeichnet. Weil ich die Platinen mit meiner Fräse im Voronoi-Mod angefertigen wollte, spielt die Leiterbahnbreite keine entscheidene Rolle. Das Verfahren habe ich unter “Software > Metode 2: mit Visolate” beschrieben.  

Update

Reicht der Kühlkörper? Die Kühlleistung meiner Kühlkörper beträgt (ohne Lüfter) laut Katalog nur etwa 2K/W. Vorsichtshalber habe ich das mal gemessen. Bei Kurzschluss am Ausgang und 1A Strombegrenzung sind etwa 30W am wirken. Die dabei gemessenen Temperaturen (mit Lüfter): Raumperatur: 21°, Kühlkörpertemperatur: 36°, das ergibt einen Wärmewiderstand von 0,5K/W. Mit diesen Daten habe ich überprüft, ob die verwendeten Transistoren richtig dimensioniert sind. Die maximale Wärmelast beträgt für jeden Regler: 30V x 2A = 60W. Ich rechne mal vorsichtshalber mit einer Umgebungstemperatur von 45°C. Der IRFP150 im Negativregler ist ausreichend, er erreicht eine Tj = 129°C, zulässige Belastung = 70W, also OK! Der IRF9540 im Positivregler reicht nur aus, wenn ich 2 parallel schalte. Einer alleine, wie zunächst gezeichnet, reicht nicht! Den Schaltplan oben habe ich entsprechend korregiert. Jeder IRF9540 erreicht bei 30W eine Tj = 120°C, zulässige Belastung = 55W pro Transistor, also OK!

2. Update Februar 2020: andere Displays

Die 4 Displays waren mir zu ungenau und der Dezimalpunkt war bei der Stromanzeige falsch. Das ging mir immer etwas auf den Keks. Deshalb habe ich das Gerät mit 4 neuen anderen Displays versehen. Mechanisch sind beide Typen identisch, konnten also ohne die Frontplatte zu bearbeiten ausgewechselt werden. Die Stecker sind aber anders belegt. Für die beiden Spannungsanzeigen: 4-stellig, “JOY-IT VM433”; für die beiden Stromanzeigen: 5-stellig, “YOY-IT 533”, es werden aber nur die 4 niederwertigen Stellen verwendet. Folgende Änderungen sind an den Platinen nötig: positiver Regler NTP9051 R9 = 14k statt 3k9, RV2 dann auf 2.000 bei 2,00A (Ausgang kurzgeschlossen) einstellen R16 und RV4 überbrücken, das Display zeigt direkt die richtige Spannung an. Negativer Regler NTP9052 R21 = 47k statt 180k, dieses Display muss noch geändert werden, danach mit RV4 auf 25.00V bei 25V am Ausgang einstellen R9 = 560R statt 2k2, RV2 dann auf 2.000 bei 2,00A (Ausgang kurzgeschlossen) einstellen Display für die negative Spannung ändern: intern ist am Messeingang ein SMD-100k, diesen mit 33k überbrücken, der Messbereich wird damit auf 5V (statt 25) verringert. Das ist nötig weil der OP U2 keinen 25V liefern kann. Die neuen Displays sind deutlich präziser! Operation geglückt!

3.Update Dezember 2023: Fehler behoben

Die neuen Anzeigen zeigten manchmal falsche Werte an. Die Ursache: die Steckverbinder an an allen 4 Displays hatten Wackelkontakt. Abhilfe: die Leitungen habe ich an den Displays ohne Stecker direkt angelötet. Danach wars OK! Der Nullpunkt an den  Stromanzeigen war nicht richtig. Man konnte nie erkennen ob der Strom 00.0 war oder nicht. Darum wurde eine zusätzliche Schaltung eingefügt damit kann präzise auf 00.0 bei Strom-Null eingestellt werden. Schaltplan-Ergänzung, für den gesamt-Plan.
NTG9050  Verdrahtung Labornetzgerät Platine NTP9052 Regler für negative Spannung Platine NTP9051 Regler für postive Spannung Home Netzgerät für Röhren Netzgerät 55V/10A Netzgerät 25kV / 1,5mA Netzgerät 3-fach Netzgerät 25V 10A Home Seiten Anfang Home Netzgerät für Röhren Netzgerät 55V/10A Netzgerät 25kV / 1,5mA Netzgerät 3-fach Netzgerät 25V 10A