Peter Hofbauer’s private Homepage
Selbstbauprojekte eigene Entwicklungen
Impressum Letzte Änderung: 08.Juli 2013 Copyright: frei! Impressum Letzte Änderung: 22. August 2021 Copyright: frei! Labornetzgeräte Hier werde ich alle von mir entwickelten Labornetzgeräte vorstellen 1.) Labornetzgerät für Messungen mit Röhren
Bevor ich vor einigen Jahren anfing mit Röhren zu experimentieren musste zuerst ein Netzgerät her um die erforderlichen Spannungen zu liefern. Das Netzgerät hat sich als unentberlich erwiesen. Damit habe ich Versuchsaufbauten versorgt und mit Adaptern die Daten der Röhren mit deren Datenblätter verglichen. Ein teures Röhrenprüfgerät ist deshalb überflüssig.

Die Technischen Daten:

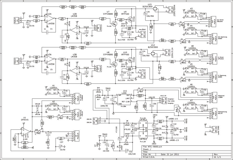
Heizspannung: 2,5 bis 25V / max. 1,4A Gitterspannung: +5 bis -50V / max. 2mA Schirmgitterspannung: 0 bis 230V / 0 bis max. 36mA Anodenspannung: 0 bis 230V / 0 bis max. 75mA Die Werte sind relativ bescheiden weil ich nur vorhandene Netztrafos verwenden wollte. Die Schaltung ist ebenso für höhere Anoden- und Schirmgitter-Spannungen und Ströme verwendbar. Bei entsprechend größeren Trafos. Jeder Ausgang hat getrennte Digitalanzeigen für Strom und Spannung. Die Potis für Spannungs-Einstellung sind Mehrgang-Wendelpotis was sich sehr bewährt hat. Für die Strom- Einsteller reichen normale Potis. Nicht zu unterschätzen ist der Kühlbedarf der Leistunghalbleiter. Insgesamt muss der Kühlkörper bei dieser Dimensionierung im ungünstigsten Fall 60W Wärmeleistung abgeben. Ein großer Kühlkörper mit Lüfter ist erforderlich. Die Platine ist mit Steckverbinder mit den übrigen Teilen verbunden. Die Steckverbinder auf der Platine: X1  = Poti für Schirmgitterspannung, 2k, 1=oben, 2=Schleifer, 3=unten X2  = Poti für Anodenspannung, 2k,  1=oben, 2=Schleifer, 3=unten X3  = Gitterspannungs-Ausgang und Spannungspoti, 5k, 1=Ausgang, 2=GND,  3=oben, 4=Schleifer, 5=unten X4  = Anschluss für Digitalanzeige Gitterstrom bis 1,999mA X5  = Anschluss für Digitalanzeige Gitterspannung von +005,0V bis -051,0V X6  = Poti für Schirmgitterstrom, 10k,  1=oben, 2=Schleifer, 3=unten X7  = Poti für Anodenstrom, 10k,  1=oben, 2=Schleifer, 3=unten X8  = zum Trafo, 2 x 18V/2A, 1=AC1, 2=0 (Mitte), 3=AC2 X9  = Ausgang Schirmgitterspannung, 1=Plus, 2=GND X10 = Ausgang Anodenspannung, 1=Plus, 2=GND X11 = Anschluss für einen 24VDC-Lüfter, 1=Plus, 2=Minus X12 = Ausgang und Poti Heizspannung, 1=Ausgang Plus und Poti unten, 2=Poti Schleifer und oben, 3=Ausgang GND X13 = zum Trafo für die Anodenspannung ca. 220V / 0,1A X14 = zum Trafo für die Schirmgitterspannung ca. 220V / 50mA X15 = Anschluss für Digitalanzeige Schirmgitterstrom bis 030,0mA X16 = Anschluss für Digitalanzeige Schirmgitterspannung bis 0250V X17 = Anschluss für Digitalanzeige Anodenstrom bis 075,0mA X18 = Anschluss für Digitalanzeige Anodenspannung bis 0250V X19 = Anschluss für Digitalanzeige Heizstrom bis 1,363A X20 = Anschluss für Digitalanzeige Heizspannung bis 021,4V Die Anschlüsse für die Digitalanzeige sind alle identisch: 1 = Pluspol erdfreie Betriebsspannung von 9V 2 = Minuspol dazu 3 = positiver Messeingang 4 = negativer Messeingang 5 = nicht verbunden Die GND-Anschlüsse aller Ausgänge sind verbunden und sollten auch auf der Frontplatte verbunden werden damit Kurzschlussströme nicht über die Platine fließen. Die Potis immer nur direkt an den Steckverbindern anschließen, keinesfalls untereinander auf der Frontplatte.

Erklärungen zum Schaltplan:

Die VMOS-Leistungshalbleiter ( U7, U8, U9, U10 ) stammen aus meinen Beständen und sind für diese Anwendung überdimensioniert. Der genaue Typ ist unkritisch. Für U7 und U8 gehen auch IRFU420 und für die Leistungshalbleiter U9 und U10 die Typen IRF840. Die Schaltung für Anoden- und Schirmgitter-Spannung sind im Prinzip identisch. Ich werde hier kurz die Funktion für die obere Schaltung erklären. U9 ist der Leistungshalbleiter. R27 begrenzt den Drainstrom des Treibers U7. R32 verhindert einen Überstrom wenn der Ausgang bei zunächst voller Spannung kurzgeschlossen wird. D10 begrenzt für den Fall die Gatespannung des U9. Am Ausgang befindet sich eine Reihenschaltung von R34 mitC20/C38. R 34 begrenzt den Strom aus den Kondensatoren C30/C38 wenn am Ausgang ein Kurzschluß auftritt. Falls die Schaltung schwingt kann R34 verkleinert oder kurzgeschlossen werden. Allerdings sollte man bedenken das der dann mögliche Stromimpuls Schäden am Prüfling ( z.B. Relaiskontakte oder Z-Dioden ) verursachen kann. Die Strombegrenzung kann das nicht verhindern. U2A regelt die Spannung und U2B die Strombegrenzung. Als Referenz für die Regler werden die beiden Referenzdioden D12 und D13 verwendet. Die Referenzspannung beträgt etwa 2,5V. Die Heizspannung wird mit U11 geregelt. Als Shunt für die Stromanzeige dient R37. Die Strombegrenzung im IC U11 wird nicht verwendet. Die Gitterspannung wird mit U1 geregelt. Weil nur ein geringer Strom benötigt wird reichte hier ein OP. Der OPA455 ist für die hohe Spannung geeignet. Die verwendeten Digitalanzeigen benötigen eine erdfreie Betriebsspannung. Die wird mit kleinen DC/DC-Wandlern bereitgestellt.
Dateien zum Download: Schaltpläne und Layout Die Schaltpläne und Layout sind mit den kostenlosen Programm KiCAD erstellt worden. Alle KiCAD-Dateien stehen hier zum Download bereit. KiCAD ist ein komplettes und nicht eingeschränktes Schaltplan / Leiterplatten Programm. Das kann kostenlos heruntergeladen werden. Wegen der www-Adresse bitte googeln. Wer KiCad nicht kennt: KiCAD arbeitet am besten wenn jedes Projekt ein eigenes Verzeichnis erhält. Deshalb bitte ein Verzeichnisse anlegen und dann die dazugehörende *.zip-Datei hineinschieben. Dann im Verzeichnis die Projektdatei ent"zip"en. Das geht auch mit KiCad unter Menü "Datei" / "Archiv entpacken". KiCAD meckert beim Aufruf der Schaltpläne fehlende Bibliotheken an. Einfach mit "Abbrechen" ignorieren. Wenns stört: unter "Einstellungen" einfach alle "fehlenden" Bibliotheken entfernen. Unter "*cache.lib" sind die nämlich doch vorhanden. Nur wer zusätzlich was zeichnen will benötigt mehr.
Home Seiten Anfang Home Netzgerät 55V/10A Netzgerät +/- 25V/2A Netzgerät 25kV / 1,5mA Netzgerät 3-fach Netzgerät 25V 10A