Peter Hofbauer’s private Homepage
Selbstbauprojekte eigene Entwicklungen
Impressum Letzte Änderung: 08.Juli 2013 Copyright: frei! Impressum Letzte Änderung: 22. August 2021 Copyright: frei!

Labornetzgeräte

Hier werde ich alle von mir entwickelten Labornetzgeräte vorstellen

4.) Labornetzgerät für Hochspannung 0 bis 25kV / 0 bis 1,5mA

Wofür benötigt man Spannungen bis 25000V?

Das benötigt man selten, aber hier mal Tests die ich mit den fertigen Gerät gemacht habe. 1. Wie gut isoliert der Lack von Kupferlackdrähten? Dazu habe ich zwei CuL-Drähte verdrillt und die Spannung dazwischen langsam mit den Poti am Gerät hoch gedreht. Erst über 6...7kV gab es einen Überschlag. Mit einen so hohen Wert hatte ich nicht gerechnet. Jetzt kann ich abschätzen wann eine Lagenisolation nötig ist und wann nicht. Nach einen Überschlag bildet sich ein bleibender leitender Kanal. 2. Leiterbahnabstände, bringt Isolierlack bessere Werte? Dazu wurde eine Leiterplatte mit einer 1mm breiten Fräsung zwischen zwei Kupferflächen mit Spannung belastet. Ohne Isolierlack gab es ab 3..3,5kV kleine Blitze, vermutlich an den unvermeidbaren Grat. Dann wurde der Teststreifen mit Plastik aus der Sprühdose überzogen. Solange dieser noch nicht ganz ausgehärtet war, gab es Überschläge ab 4kV. Dadurch entstanden aber leitende Kanäle, die das Ganze verschlimmerten. Danach ein Test mit vorher gut ausgehärteten Lack. Leider war der Erfolg nicht so gut wie erhofft. Die Überschläge wurden nur um weniger als 1kV höher. Das lohnt sich also nicht, nur mehr Abstand bringt`s! 3. Wie isoliert Klebstoff? Solange Klebstoffe noch flüssig sind, leiten sie. Erst nach aushärten sind sie etwas besser. Sehr gut dagegen verhält sich Heisskleber aus der Klebepistole. Ist überraschend HV-fest! Verwende ich zum Beispiel um unter Netzspannung stehende Teile in den Geräten zu überziehen. Damit eine versehentliche Berührungen bei geöffneten Gehäuse ohne Folgen bleibt.

Meine Überlegungen

Auch dieses Netzgerät sollte nur aus bereits vorhandenen Teilen bestehen. Das erklärt die teilweise seltsame Konstruktion. Die Spannung wird mit einer vorhandenen Fernseh-Kaskade und einen Sperrwandler erzeugt. Soll stufenlos von 0 bis 25kV erfolgen. Der Innenwiderstand soll für die geplanten Einsatz mit Widerständen begrenzt sein. Zum Schutz der Kaskade.  Die Spannung wird nur hinter der Kaskade (EMK) ausgeregelt. Die Anzeige muss mit Zeigerinstrumenten erfolgen, je eines vor (EMK) und eines hinter (Ausgang) den Widerständen. Diese Widerstände dienen auch als Shunt zur Stromanzeige und Regelung. Die Strombegrenzung ist einstellbar bis 1,5mA. Der Ausgang ist erdfrei und kann bei Bedarf am Pluspol oder Minuspol extern geerdet werden. Die Spannung ist mit ein Mehrgang-Poti oder in fünf festen 5kV-Stufen wählbar. Zur schnellen Bedienung ist eine Stopp- und Start-Taste (noch mit Glühlampen) geplant.

Der Sperrwandler-Trafo

Verwendet wird ein vorhandener Schalenkern mit Luftspalt. Folgende Daten habe ich mit mein “Spule-Testgerät” gemessen: Schalenkern N22 AL1000 d=58 h=35 mit 28 Windungen, I=6,3A, t=226us, ergibt berechnet 717uH,  AL=918nH/W2, Magnetisiergrenze = 6,3A x 28 Wind = 176A Mit diesen Werten wurde gerechnet: Leistung = 37,5W, mind.Betriebsspannug = 20V, Ton=14.8us, Toff=15.8us, Wirkungsgrad=76% ,Tastverhältnis=0,48 max. Strom durch Transistor: 37,5W / 20V / 0,76 / 0,48 = 5,14A x 2 = 10.28As L = 20V x 14.8us / 10.28A = 28,8uH Magnetisierung zulässig? 5 x10.3A = 51,5A, zulässig waren max. 176A = also OK! Nachrechnung: prim = 5 Windungen, sek = 660 Windungen, Übersetzung = 660/5=132, Usek=9kV ergibt für die Primär 9000/132=68V, max am D des VMOS = 26V+68V L = 20V x 14.8us / 10.28A = 28,8uH, stimmt mit L-Messgerät ausreichend überein.   Weil kein Spulenkörper und sonstiges Zubehör vorhanden war, habe ich die Teile mit meinen 3D-Drucker gefertigt. Der Spulenkörper hat 2 Kammern, die breite Kammer für die sekundäre HV-Wicklung. Später (hier noch nicht sichtbar) habe ich zur Verminderung der Streuinduktivität noch eine zweite Primärwicklung oben drauf gewickelt und mit der ersten parallel geschaltet. Die Streuinduktivität ist für einen Sperrwandler immer ein Problem. Der gewickelte Spulenkörper  mit Schalenkern wird zwischen zwei Gehäusehälften eingesetzt und mit M3-Gewindeträger zusammengehalten. Anschliessend wurde durch die Schlitze vergossen. HV-Wicklungs-Enden, gehen zur Kaskade.  Der Trafo war ein besonderes Problem. Bis das endlich gut funktionierte (ohne HV-Gewitter) habe ich einige neu gewickelt. Funktioniert letztendlich sehr gut.

Der Hochspannung-Kreis

Der Hochspannungskreis ist symmetrisch aufgebaut. Nur über die zur Regelung erforderlichen Widerstände ist der Kreis symmetrisch geerdet. Alle Teile müssen wegen der Spannungshöhe von bis 25kV (gegen alles) umschlossen isoliert sein. Sonst entstehen Korona-Effekte und Überschläge. Der Pluspol und Minuspol der Kaskade hat ein kleines Gehäuse mit Deckel bekommen. Das ist mit Heisskleber auf die Kaskade geklebt. Die Leitungen vom Trafo zur Kaskade sind in Isolierschläuche aus Silikon und mechanisch fixiert. Die übrigen Leitungen im Kreis sind CuL-Drähte im Silikonschlauch mit 2mm Wandstärke.   Von den beiden Polen der Kaskade sind je ein Widerstand 495M für den Regelkreis nötig. Von dort geht es zu den Ausgangsbuchsen über je ein Widerstand 400k zur Strombegrenzung. Von den Ausgangsbuchsen sind nochmal je ein Widerstand 495M nötig. Jeder 495M-Widerstand besteht aus 15 in Reihe geschaltete 33M-HV-Widerstände in ein Gehäuse mit Labyrinth. Die 400k-Widerstände bestehen aus vier in Reihe geschaltete 100k-HV-Widerstände. Für jeden Pol ein Gehäuse, werden mit einer 4mm- Epoxydplatte in der Mitte Luftdicht verschraubt.
von der Kakade
zum Ausgang
400k
zur Regelung

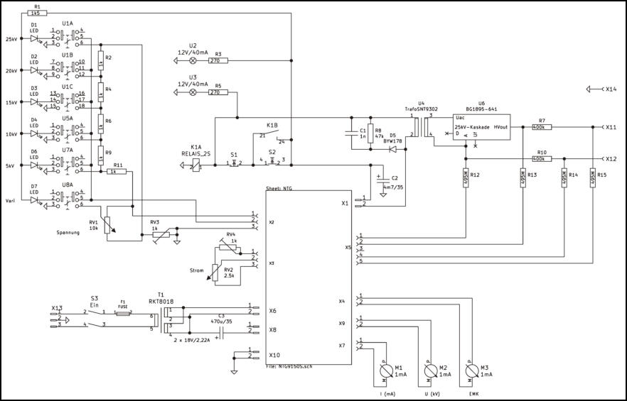
Der Schaltplan

Die Ausgangsspannung wird mit RV1 variabel oder mit den Tastensatz in 5kV-Steps gewählt. Die Spannung an X3.2 geht von 0V bis 5V. Die wirkt invertiert, 0V erzeugt die maximale Ausgangsspannung (25kV). Der Trimmer RV3 muss auf maximal 25kV eingestellt werden. Die Strom-Einstellung mit RV2 ist nicht invertiert, 5V bringt den maximalen Strom. Muss mit RV4 getrimmt werden. Eigentlich war ein Netztrafo mit extra Steuerwicklung vorgesehen. Der war aber zum schwach um musste durch einen 80VA-Ringkerntrafo ersetzt werden. Die jetzt fehlende Steuerwicklung wurde ersetzt durch einen Elko V3, sieht seltsam aus, geht aber wegen des geringen Strombedarfs einwandfrei (ist nur für die -12V). Das Relais K1 dient zum Starten/Stoppen der HV-Erzeugung. Hat sich in der Bedienung sehr bewährt. Weil der Elko auf der Platine als zu klein erwiesen hat, wurde extern der Elko C3=4700uF dazugeschaltet. Ich wollte die Platine nicht neu machen.  
NTG9150 Verdrahtung
NTG9150S Steuerprint
In der Steuerung verwende ich drei Differenzverstärker INA126. Mit U3 wird die HV zwischen den Plus- und Minus-Pol der Kaskade gemessen. U5 misst die HV an der Ausgangsbuchsen. Die Differenz der beiden (U3 und U5) informiert über den entnommenen Strom. Das wird mit U4 gemessen. Die Verstärkung des U4 wird mit R22 erhöht. Ohne äußere Beschaltung haben die INA126 eine Verstärkung von 5, mit R22=10k wird auf 13 erhöht. An X7 ist ein Meßwerk zur Anzeige der EMK, an X9 zur Anzeige der Ausgangsspannung und an X7 zur Anzeige des Stromes. Die Beschaltung an X7 mit R29 und RV7 ist unnötig weil wirkungslos, kann entfallen. Die Beschaltung zur Begrenzung der Drain-Spannung des VMOS ist nicht auf der Platine sondern extern. Damit diese je nach Eigenschaften des Sperrwandler-Trafos leicht geändert werden kann. Problem: Regelung schwingt. Die Schaltung wurde mit CircuitMaker entwickelt. Der Sperrwandler + Kaskade wurde durch einen Ideal-OP (und 2,5V-Referenz) ersetzt. Damit kann man die statischen Zustände im eingeschwungenen Zustand sehr gut simulieren. Die dynamischen Regeleigenschaften sind nicht ausreichend simulierbar. Das teste ich erst am lebenden Gerät. Dafür habe ich ein Hilfsmittel mit umschaltbaren Cs und Rs, die an die Schaltung angeschlossen werden. Die damit ermittelten RC-Reihen werden dann unter der Platine angelötet. Sind im Schaltplan nicht eingezeichnet: parallel zu R5: 0u1 und 33k in Reihe parallel zu R10: 10n und 1k in Reihe von U2.7 nach U2.6: 1u und 3k3 in Reihe

Das mechanische Aufbau

Das Gehäuse wurde mit Hilfe der CNC (Alublech und Debond) und des 3D-Druckers (alle blauen und roten Teile) gebaut. Die beiden blauen Seitenteile sind aus 2 Teilen verklebt. In den Seitenteilen sind 1,5mm tiefe Nuten für die untere Montageplatte, der Frontplatte und Deckel vorhanden. Verbunden wird an den 4 Enden mit Alu-Quadratprofilen 8x8mm. Die Frontplatte ist aus 1,5mm Alu. Oben und unten sind Alu-Quadratstangen 8x8mm mit M3-Gewinde auf der Stirnfläche auf die Front geklebt. Die Frontplatte habe ich mit meiner CNC-Fräsen gefertigt und (nach Lackierung) beschriftet. An der Rückwand sind ebenfalls Alu-Quadratstangen. Die Montageplatte ist aus 4mm-Debond. Dies Material kostet weniger wie Alu und ist stabil genug. Die Rückwand ist hinten an den Quadratstangen verschraubt. Ein Deckelblech aus 1mm Alu wird von hinten in den Nuten der Seitenteile geschoben und und den Quadratstangen verschraubt. 

Zum Schluss

Wie alle meine Berichte ist auch dieser keine Bauanleitung. Falls jemand so was ähnliches vorhat, ein paar Tipps. Die Schaltung mit den INA126 funktioniert sehr präzise. Dazu müssen die Trimmer RV2, RV4 und RV6 genau eingestellt sein: Gerät mit etwa 10kV im Leerlauf betreiben und: 1. Den positiven Ausgang nach GND verbinden und die Spannung an P2 merken 2. den negativen Ausgang nach GND verbinden und mit RV2 exakt die selbe Spannung an P2 einstellen 3. mit RV5 die selbe Spannung an P4 einstellen 4. den positiven Ausgang mit GND verbinden und mit RV4 die selbe Spannung an P4 einstellen Anschließend  die Spannung an 3 messen. Hier muss etwa 0V sein. Wenn nicht mit RV4 oder RV6 korregieren. Die übrigen Einsteller danach wie im Schaltplan erkennbar trimmen. Die Skalen der Messwerke sind mit einen Laserdrucker mit CorelDraw auf selbst klebenden Papier gedruckt. Mit Digitalanzeigen gehts natürlich auch. Die sind aber nicht mehr ablesbar wenn die Spannungen zappeln.

Downloads

Schaltplan und Layout, auf 2 Projekte Kicad-Dateien (37kB) 3D-Dateien, Step_komplett und Skalenzeichnung  3D-Dateien und Mechanik kpl als *.step (1,3MB)
495M
495M
400k
Kaskade
Minus
Plus
Sperrwandler- Trafo
Home Netzgerät für Röhren Netzgerät 55V/10A Netzgerät +/- 25V/2A Netzgerät 3-fach Netzgerät 25V 10A Home Seiten Anfang

Labornetzgeräte

Hier werde ich alle von mir entwickelten Labornetzgeräte vorstellen