Peter Hofbauer’s private Homepage
Selbstbauprojekte eigene Entwicklungen
Impressum Letzte Änderung: 08.Juli 2013 Copyright: frei! Impressum Letzte Änderung: 22. August 2021 Copyright: frei!

Labornetzgeräte

Hier werde ich alle von mir entwickelten Labornetzgeräte vorstellen

2.) Labornetzgerät 550VA

0...55V / 0...10A

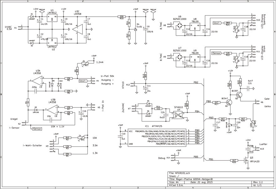
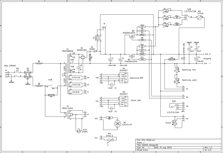
Dieses Labornetzgerät besteht im Prinzip aus 2 hintereinander geschaltete Regler. Einen Linearregler und davor eine Phasenanschnittsteuerung. Bei einer maximalen Ausgangspannung von 55V und einen maximalen Strom von 10A würde im ungüstigsten Fall 600 Watt an Wärme weggekühlt werden müssen. Deshalb wird die Spannung vorm Linearregler mit einer Phasenanschnittsteuerung auf etwa 5 bis 6V herabgesetzt. Die maximale Verlustleistung liegt immer deutlich unter 80W. Warum kein Schaltnetzteil? Ein Schaltnetzteil kommt mit weniger Verlustleistung aus. Leider muss dieser Vorteil mit einer hohen Störspannung erkauft werden. Entstörschaltungen sind nicht einfach zu entwickeln, jedenfalls wenn diese auch wirklich entstören sollen. Weil ich auch HF-Empfänger entwickeln kann ich diesen Nachteil nicht hinnehmen. Die Phasenanschnittsteuerung liegt auf der Sekundärseite des Netztrafos und erzeugt weniger Störungen. Beschreibung der Schaltung Der Schaltplan besteht in 2 Teilen: der Steuerungsplatine und dem Leistungsteil. Die Positionsbezeichnungen (Q1, R1, usw) überschneiden sich leider. Wo nötig habe ich darauf verwiesen. Die Steuerelektronik ist auf einer Platine untergebracht. Die Verbindung erfolgen über mehrere Steckverbinder. Die Spannung wird mit U3A geregelt, und der Strom mit U3B. Die Referenzspannung von 5V wird mit D4 erzeugt. Die Spannung ist von 0V bis 55V einstellbar über 2 Potis. Eines für den kompletten Bereich und ein zweites zur Feineinstellung. Der Strom ist von 0A bis 10A einstellbar. Damit auch kleine Verbraucher einfach zu betreiben sind, ist der Strom in 3 Bereichen unterteilt: Beriech 1 = 0 bis 1,5A Bereich 2 = 0 bis 3,5A Bereich 3 = 0 bis 10A Spannung und Strom werden mit 2 getrennten Digitalvoltmeter-Modulen angezeigt. Den Strom zeigt das Gerät zusätzlich mit einen Zeigerinstrument an. Das hat sich in der Praxis bestens bewährt. Man erkennt Schwankungen und Trends an einem Analoginstrument eindeutig besser als mit einer digitalen Anzeige. Die Digitalvoltmeter-Module benötigen eine Betriebsspannung von 9V, die aber nicht geerdet sein darf. Dazu werden 2 getrennte 8,7V- Wicklungen des Netztrafos verwendet. Die Betriebsspannung für den Steuerteil wird einer getrennten 14V-Wicklung des Netztrafos entnommen. Die beiden IGBTs Q3 und Q4 (im Leistungsteil)  vom Typ IKW25N120T2 bilden den Leistungsregler. Diese IGBTs müssen kurzzeitig im ungünstigsten Fall (also U = 55V, I = 10A, und dann ein Kurzschluss am Ausgang) eine sehr hohe Leistung vertragen. Die Phasenanschnittschaltung wird von einen Mikroprozessor IC1 = ATtiny25 gesteuert.  Der Optokoppler U4 übergibt an den Prozessor den Nulldurchgang der 50Hz-Netzfrequenz. Dazu ist ein getrennter Netztrafo (T2 im Leistungsteil) erforderlich damit keine Rückwirkungen entstehen. Verwendet wurde ein 30VA-Netztrafo. Dieser darf nicht kleiner sein, obwohl er nur wenige mW liefern muss. Der Grund: ein kleinerer Netztrafo verschiebt die Phase zu stark so das der Nulldurchgang zu spät erkannt wird. Der Triggerpuls für den Thyristor BTW69 (im Leistungsteil) wird mit Q1 und Q2 erzeugt. Dazu wird die Energie aus C21 schlagartig über den Trafo  T3 ins Gate entladen. Mit Trimmer RV3 wird die Spannung zwischen Drain der beiden IGBTs (Q3 und Q4 im Leistungsteil) und positiven Ausgang eingestellt. Dieser Trimmer darf nicht kleiner als 100k sein, er überbrückt den Leistungs-IGBTs. Sonst geht die Ausgangsspannung nicht mehr auf Null Volt einzustellen. Die Schaltung ist nicht einfach zu übersehen weil der positive Ausgang das Bezugspotential der ganzen Steuerung ist. Dieses Prinzip vereinfacht aber die gesamte Schaltung entscheidend! Der Prozessor steuert auch den Lüfter. Der Temperatursensor KTY10 sitzt auf dem Kühlkörper. Sobald dieser mehr als 60°C meldet, legt der Lüfter los. Das kommt in der Praxis selten vor, vorausgesetzt man hat den Kühlkörper nicht zu geizig ausgelegt. Der große Netztrafo hat eine Leistungswicklung von zwei mal 49V. Er leistet maximal 895VA. Ein Trafo von dieser Größe hat einen nicht zu unterschätzenden Anlaufstrom, der manchmal einen Sicherungsautomat zum Ausschalten bringt. Zur Vermeidung dient der Vorwiderstand in der 230VAC-Leitung von 10 Ohm/17W. Dieser wird kurz nach dem Einschalten mit Relaiskontakt K1B überbrückt. Das ist ein Relais mit AC- Spule. Die Schaltung ist Erdfrei aufgebaut und muss am Ausgang über zwei 0,47uF-Kondensatoren mit dem Metallgehäuse verbunden werden.

Der mechanische Aufbau

Die Schaltung habe ich in einen vorhanden Einschub meines Messplatzes eingebaut. Die Steuerelektronik mit den Bedienelementen und der Platine sitzen auf der Rückseite der Frontplatte. Ebenso der Kühlkörper mit Lüfter. Der Lüfter bläst die Luft durch den Kühlkörper nach vorn aus der Front. Als Kühlkörper habe ich den Typ PR169/100/SE verwendet. Der wurde in der Mitte getrennt und mechanisch so zusammengebaut wie in der 3D-Zeichnung links zu sehen ist. Die IGBTs Q3/Q4 (im Leistungsteil) kommen auf die eine Seite, der Thyristor auf die andere. Der Lüfter wird so angeordnet, das die Luft durch die Kühlrippen hindurch muss. Der Leistungsgleichrichter muss ebenfalls gekühlt werden, dessen Wärmeabgabe wird oft unterschätzt!

Der Schaltplan

Leistungsteil
Steuerplatine

Update : Rev 1.1

Die Schaltung wurde geändert weil in einigen Lastfällen die Regelung unsauber lief. Zum Zünden des Thyristors wurde statt der einfachen Ankopplung über einen Kondensator ein 1:1-Zündtrafo (T3) verwendet. Der Trafo T3 besteht aus: Ringkern d=25, Material N30 n = 2 x17 Windungen, 0.35CuL Die Induktivität einer Wicklung beträgt etwa 0,4mH. Die Daten des Trafos sind unkritisch, beinahe jeder 1:1-Trafo wird funktionieren. Die Ansteuerung durch Q2 wurde entsprechend geändert. Die beiden VMOS-Leistungstransistoren wurden gegen stärkere IGBTs ausgetauscht. Der dazu gekommende Kondensator C6 = 6uF ist ein “Anlaufkondensator”. Damit wird die Streuinduktivität des Trafos kompensiert. Ohne diesen Kondensator kann der Thyristor bei großen Kurzschlußströmen (>8A) nicht immer zuverlässig sperren.  Außerdem im Steuerteil geändert: R1 wurde von 4k7 auf 1k, R24 entfällt, C22 durch Brücke ersetzt. Im Leistungsteil geändert: C3 entfällt, VMOS Q3 und Q4 durch IGBTs ersetzt, C6, C11, D3 und R3 zusätzlich. Der Schaltplan (oben) ist auf neuen Stand. Das Platinenlayout wurde nicht geändert.

Falls jemand das Gerät nachbauen will

Den gleichen Netztrafo wird man wohl kaum am Markt beschaffen können. Man kann jeden anderen Netztrafo mit der gewünschten Leistung verwenden. Die Software im ATtiny25 ist so ausgelegt, das auch andere Spannungen bearbeitet werden. Natürlich sollte man anstatt der zwei 49V-Wicklungen eine einzige mit Brückengleichrichter verwenden. Die übrigen Spannungen (2 mal 8,7V und 14V) kann man mit getrennten Trafos realisieren. Für die Einstellung der Spannung sollte man besser ein präzises Mehrgangpoti einsetzen anstatt der beiden grob/fein-Einsteller. ACHTUNG: wegen der doch nicht ganz kleinen Leistung “im” Gerät sollte nur jemand mit guten Kentnissen dieses Gerät nachbauen. Der kleinste Fehler und alles fliegt einem um die Ohren! Download alle KiCAD-Dateien und die HEX-Datei für die Software im ATtiny Die Schaltpläne sind mit den kostenlosen Programm KiCAD erstellt worden. Alle KiCAD-Dateien stehen hier zum Download bereit. KiCAD ist ein komplettes und nicht eingeschränktes Schaltplan / Leiterplatten Programm. Das kann kostenlos heruntergeladen werden. Wegen der www-Adresse bitte googeln. Wer KiCad nicht kennt: Die Dateien sind ge"zip"t. Das ent"zip"en kann man auch mit KiCAD machen wenn man kein Programm dafür hat. Im Menü "Datei" unter "Entpacke Archiv". KiCAD arbeitet am besten wenn jedes Projekt ein eigenes Verzeichnis erhält. Deshalb die Dateien in ein eigenes Verzeichnis kopieren.   NTG9100.* = Leistungsteil NTG9101.* = Steuerplatine NTG91V10.HEX = Software für den ATtiny
Home Netzgerät für Röhren Netzgerät +/- 25V/2A Netzgerät 25kV / 1,5mA Netzgerät 3-fach Netzgerät 25V 10A Home Seiten Anfang Home Netzgerät für Röhren Netzgerät +/- 25V/2A Netzgerät 25kV / 1,5mA Netzgerät 3-fach Netzgerät 25V 10A