Peter Hofbauer’s private Homepage
Selbstbauprojekte eigene Entwicklungen
Impressum Letzte Änderung: 08.Juli 2013 Copyright: frei! Impressum Letzte Änderung: 03.Juni 2025 Copyright: frei!

6.)  Labornetzgerät 25V / 10A

Dieser Gerät wurde 1979 von mir entwickelt und gebaut. Das wurde unter den Titel “Energiesparendes Hochleistungsnetzgerät “ in der Zeitschrift FUNKSCHAU (1980 Heft 7) als Bauanleitung veröffentlicht. Das Gerät hat 44 Jahre einwandfrei funktioniert.

Update bzw Reparatur

Der große Netztrafo bekam 2023 ohne ersichtlichen Grund einen Windungsschluss. Ich habe den Trafo dann komplett neu gewickelt. Mit Hilfe meiner Drehmaschine und Zähler usw. Lineare Regler müssen die Spannung zwischen Eingang (Lade-Elko) und Ausgang vermindern. Mit den Strom multipliziert ergibt das eine Verlustleistung die über Kühlkörper an die Luft abgegeben werden muss. In der Originalschaltung wurde die Eingangsspannung mit einen Triac auf der 230VAC-Seite herunter geregelt. Dadurch wurde die maximale Spannung zwischen Eingang und Ausgang des analogen Reglers auf 5V herunter geregelt. Darum der Hinweis auf “Energiesparendes”. Das wurde mit einer aufwändigen analogen Schaltung gemacht.   Das Netzgerät habe ich jetzt mit einer neuen Steuerung versehen. Die Eingangsspannung wird jetzt mit einen Thyristor auf der 24VAC-Seite herabgesetzt. Bei diesen Prinzip kann die alte Drossel auf der 230VAC-Seite entfallen. Diese Drossel war nötig um die hohen Impulse bei der Phasenanschnitt-Steuerung zu senken. Deshalb wurde die maximale Ausgangsspannung auf 20V begrenzt. Beim neuen Prinzip kann der Ausgang bis 25V statt 20V gehen.

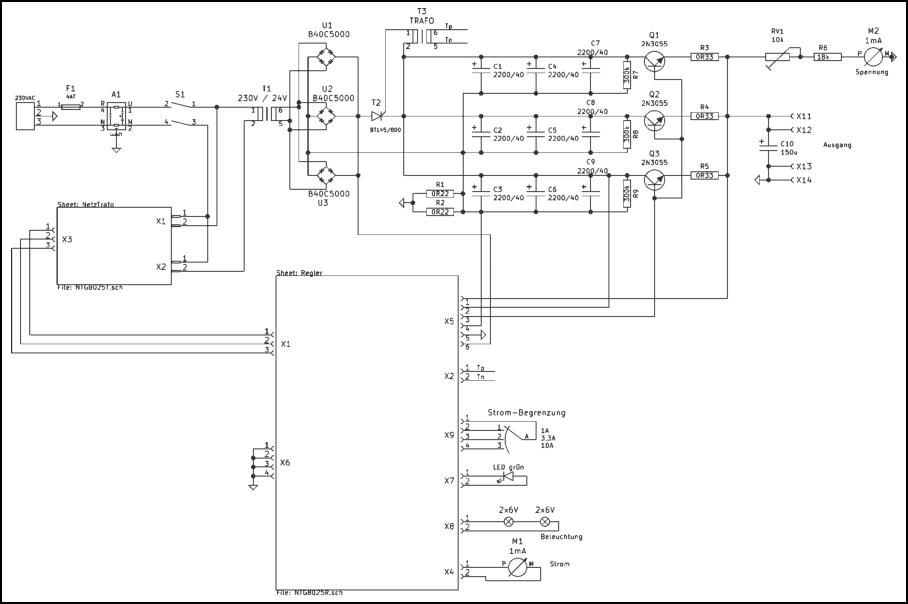
Der Schaltplan

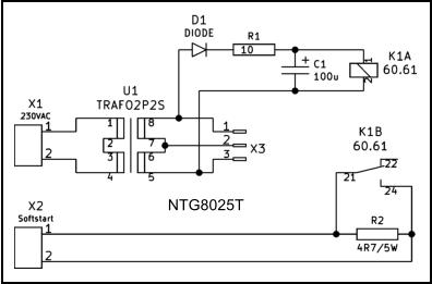
 Die Schaltplan besteht aus 3 Seiten: NTG8025 Gesamt-Plan mit den beiden Unterschaltungen NFG8025R Regler-Platine NTG8025T kleiner Netztrafo und Start-Schaltung Der Leistungsteil (Drei mal: Gleichrichter, Lade-Elkos und 2N3055) wurde unverändert belassen. Der Thyristor T2 wurde zwischen Gleichrichter und Lade-Elkos eingefügt. Der T1 ist ein 230V/24V/350VA Netztrafo. T3 ist ein N27-Ringkern ca. 13 x 6mm mit je zwei mal 14 Windungen. R1, R2 ist der Shunt zur Strom-Messung. Die Leistungstransistoren Q1, Q2 und Q3 sind so verschaltet worden, das die Ströme sicher auf alle 3 identisch verteilt sind. Das ist nötig damit bei einen plötzlichen Kurzschluss am Ausgang deren maximal zulässige Leistung auf keinen Fall überschritten wird. Kühlung? Die drei 2N3055 sind direkt ohne Isolierscheibe auf getrennte Kühlkörper montiert. Die Kühlluft kann ungehindert von den Löchern auf der Gehäuse-Unterseite durch die Kühlkörper und an der Gehäuse-Oberseite heraus strömen. Ein Lüfter ist nicht vorhanden. Weil das Gerät Jahrzehnte lang auch unter langer Dauerlast (z. B. laden von Auto-Akkus) mit dieser Konstruktion überlebt hat, gehe ich davon aus das es so bleiben kann. Der BD244(Q2) dient als Treiber für die drei 2N3055. Diese Schaltung (PNP >> NPN) benötigt wenig Spannung zwischen Ladeelko und Ausgang. Der BC141 (Q1) verbindet die geringe Spannung der OPs mit der höheren des Leistungsteiles. Dieses Schaltungskonzept hat sich bewährt. Der Thyristor im Leistungsteil wird mit einen ATtiny25 getriggert. Der Q3 entlädt den C10 = 0u22 des die Wicklung eines kleinen Trafos. Die Gleichrichter werden R25+R26 belastet. Solange der Thyristor noch nicht leitet liefert der Optokoppler U6 einen positiven Impuls im Nulldurchgang an den ATtiny. Mit Trimmer RV1 kann man die Spannung vom Lade-Elko zum Ausgang einstellen. Habe ich auf 4,5V eingestellt. Diese Start-Schaltung verhindert ein Auslösen der Netzsicherung nach dem  Einschalten. Und liefert die 2 x 12VAC für die Steuerung Die Firmware des ATtiny Der Ablauf wird durch die Netzfrequenz synchronisiert, also im 100Hz-Takt. Die Reihenfolge: 1.) Warten auf den Nulldurchgang 2.) Die Spannung am Lade-Elko, am Ausgang und Trimmer RV1 messen. 3.) Nach 3,3ms ab Erkennung des Nulldurchgangs wird die Thyristorregelung aktiv. Ein Timer wird gestartet. Die Abweichung zwischen Lade- Elko + Trimmerstellung und der Ausgangsspannung wird berechnet. Der Wert wird zum Phasenintegrator des Thyristors +/- addiert. Sobald der Wert des Phasenintegrators den Timerwert erreicht, wird der Thyristor getriggert. Danach beginnt der Zyklus von vorn. Hier ist die Arbeit des ATtiny > Thyristor sichtbar. Eingestellt auf 25V und über den Wert der Strombegrenzung belastet. Deshalb sind am Ausgang nur 2V, linke Seite der Kurve. Dann wurde die Belastung entfernt. Der ATtiny benötigt dann einige Halbwellen bis der Ausgang auf 25V am Ausgang erscheint. Das sollte nicht sofort in einen einzigen Schritt gehen weil dann ein hoher Stromstoß auf der 230VAC-Seite entsteht. Was Sicherungen auslösen kann. Ausgangsspannung bei Last-Änderung von 3,3A auf 0,3A   Last-Änderung von 0,3A auf 3,3A Die Ausgangsspannung war auf 22V eingestellt und der Digiskop-Eingang auf AC.

Hinweise

Die Schaltung arbeitet sehr stabil. Das wird mit der R-C-Reihe 10k und 1nF am TL084 erreicht bei einer ausreichend schnellen Reaktion auf Lastsprünge. Die Offset Spannung beim TL084 ist leider recht hoch. Das stört normalerweise nicht wenn das Nutzsignal viel höher ist. An einer Stelle in der Schaltung (U1B) ist es nicht mehr zu ignorieren. Die Verstärkung der Spannung vom Strom-Shunt 0,11 Ohm muss bis auf 5V verstärkt werden. Bei einer Offset-Spannung von z.B. 6mV entspricht das einen Strom von 55mA, was im 1A-Bereich schon stört. Man könnte auch einen OP mit besseren Werten einsetzen z.B. MC33079. Die habe ich öfter probiert, funktionieren, aber die schwingen öfter. Ich habe die Platine mit IC-Fassungen versehen und konnte dadurch ein passendes Exemplar TL084 aussuchen.

Manöverkritik

Der Netztrafo mit 24VAC ist etwas knapp bemessen, bei 10A wird die Ausgangsspannung nur bis 24V. Besser wäre ein Netztrafo mit 30VAC gewesen. Downloads KiCAD V5 Schaltplan und Layouts Firmware für den ATtiny25   (Die Fuse CKDIV8 den Haken setzen sonst stimmen die Zeiten nicht).
NTG8025  Gesamt
NTG8025T NTG8025T

Messwerte

NTG8025R  Regler
NTG8025R  Regler
Home Seiten Anfang Home Netzgerät für Röhren Netzgerät 55V/10A Netzgerät +/- 25V/2A Netzgerät 25kV / 1,5mA Netzgerät 3-fach Home Netzgerät für Röhren Netzgerät 55V/10A Netzgerät +/- 25V/2A Netzgerät 25kV / 1,5mA Netzgerät 3-fach

Hier werde ich alle von mir entwickelten Labornetzgeräte vorstellen

Home Netzgerät für Röhren Netzgerät 55V/10A Netzgerät +/- 25V/2A Netzgerät 25kV / 1,5mA Netzgerät 3-fach