Peter Hofbauer’s private Homepage
Selbstbauprojekte eigene Entwicklungen
Home Erodiermaschine V2  Seite 1 Erodier V2 Seite 2 Erodier V2 Seite 3 Erodier V2 Seite 4 Erodier V2 Seite 5 Impressum Letzte Änderung: 08.Juli 2013 Copyright: frei! Impressum Letzte Änderung: 22.11.2020 Copyright: frei!

Senk-Erodiermaschine, Version 2, Seite 4/5

Home Vorige Seite nächste Seite

5. Der elektrische Teil

5.1. Gesamt-Schaltplan

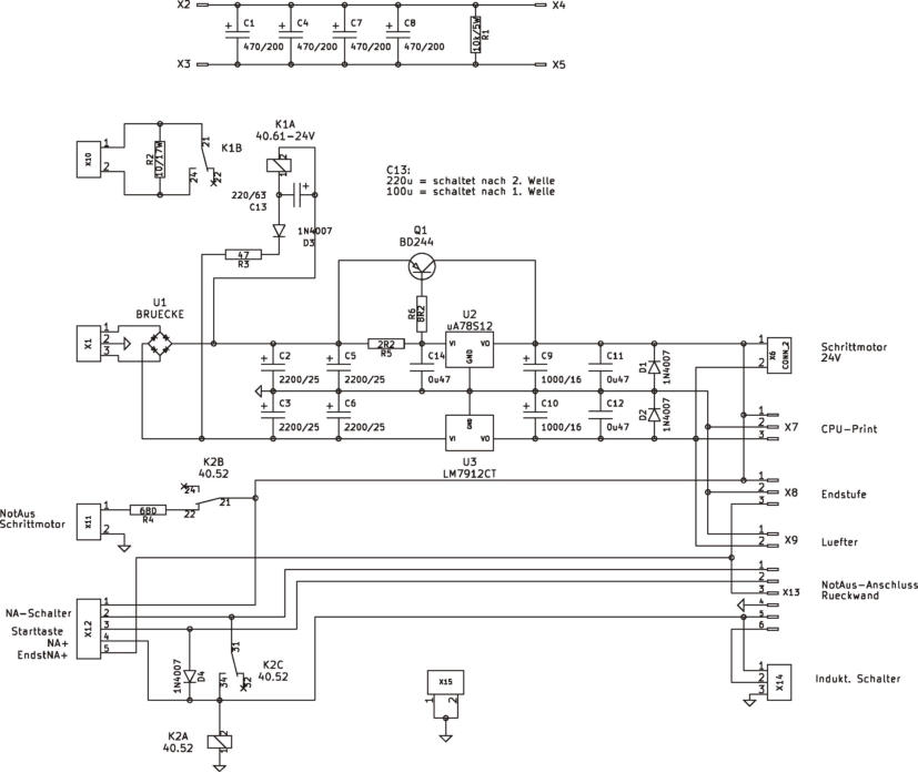
Der Schaltplan ist auf vier Seiten aufgeteilt. Die erste Seite zeigt eine Übersicht über die gesamte Schaltung.
Beschreibung der Teile im Gesamt-Schaltplan: Der elektronische Teil ist auf 3 Platinen verteilt: Netzteil SEG97N Endstufe SEG97E CPU-Print SEG97C Das sind einzelne KiCAD-Projekte, deren Schaltpläne ich in den Gesamtplan als Unterschaltungen rein gezeichnet habe. Die Ringkerntrafos T2 und T3 ist als 800VA-Trafo für die Erodierspannung verbunden. Ich habe beim Muster einen vorhandenen Netztrafo dafür verwendet. Man kann jeden Trafo mit der gewünschten Leistung verwenden. Aus Sicherheitsgründen darf die Erodierspannung 120VDC nicht übersteigen. Der Trafo T4 liefert die Energie für die Steuerung, den Schrittmotor und die Pumpe. Der Netzanschluss ist ein Kaltgeräteanschluss-Modul X16, enthält das Entstörfilter A1 und die beiden Sicherungen F1 und F2. Der SiKreis-Anschluss X21 befindet sich auf der Rückwand. Dessen Funktion wird beim Netzteil beschrieben. Der “Kühlturm” funktioniert wie ein Heizlüfter. Die Konstruktion wurde von der ersten Version übernommen. Beschreibung: siehe dort! Die drei Widerstände werden aus parallel geschalteten Widerstände 390R / 17W gebildet. R1 = 78R = 5 x 390R R2 = 40R = 10 x 390R R3 = 20R = 20 x 390R  Der Schrittmotor U3 und die beiden Endschalter S2 und S3 befinden sich im Erodierkopf. Der Schrittmotortreiber U4 wird mit 24VDC betrieben. Er ist zwischen +12V und -12V angeschlossen. Das geht problemlos weil seine Eingänge mit Optokoppler versehen sind. Die Einstellungen am Treiber: Strom = 1A, Stopp-Strom = 50%, Decay = 50%, Steps = 1/16tel Die Pumpe M3 wird vom CPU-Print stufenlos mit PWM angesteuert. Das LCD-Modul A2 wird im 4-bit-Modus angesteuert. Hier kann so gut wie jedes 4x20-Zeichen Modul betrieben werden. Der Drehschalter U5 schaltet Widerstände nach GND die mit einen R=10k auf dem CPU-Print einen Spannungsteiler bilden dessen Spannung von der CPU ausgewertet wird. Schalterstellung / Widerstand / Spannung 1 0R 0V 2 1k5 0,65V 3 3k9 1,4V 4 6k8 2,02V 5 12k 2,73V 6 27k 3,64V 7 56k 4,24V 8 offen 5,0V Der Drehgeber mit Drucktaster U6 ermöglicht verändern der Daten in 1er, 10er, 100er und 1000er -Schritte. Das Messwerk M1 hat bei 1mA Vollausschlag. Hier habe ich ein bereits vorhandenes Teil verwendet. Die Funkton ist zusammen mit den beiden Einstellern RV1 und RV2 bei der Software beschrieben.
SEG97 Gesamt

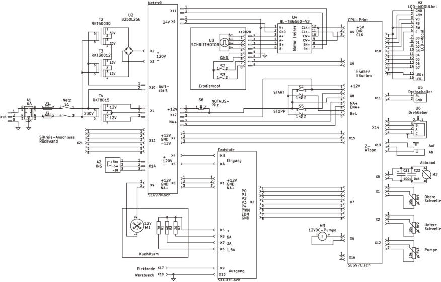
5.2 Netzteil

SEG97N Netzteil
Die Platine enthält getrennt vom übrigen Teil die Elkos (C1,C4,C7,C8) für die Erodierspannung. Der R1 soll die Elkos aus Sicherheitsgründen entladen wenn der Generator ausgeschaltet ist. Die beiden 12V-Spannungen werden wie üblich mit Stabis stabilisiert. Für die +12V ist der Transistor Q1 nötig weil dort die Pumpe dran hängt.  Der Anlaufstrom des Pumpenmotors kann bis 5A betragen. Der Transistor muss mit den Stabi an einen gemeinsamen Kühlkörper montiert sein. Damit beide die selbe Temperatur erreichen. Das Relais K1 mit R2 vermindern den Einschalt-Stromstoß des 800VA-Trafos. Dieser könnte sonst den Sicherungsautomaten in der Zählertafel auslösen.

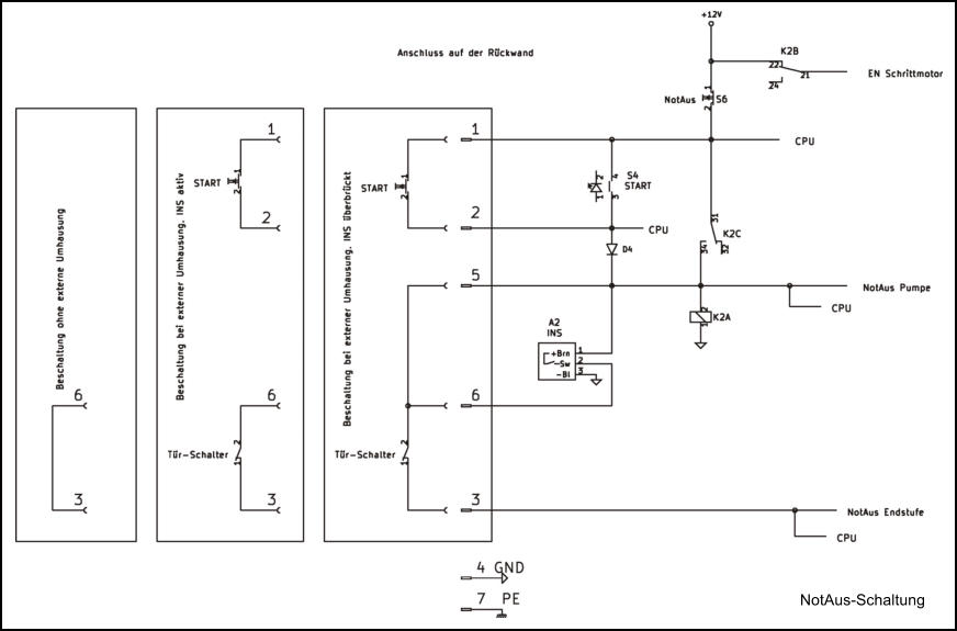
Der NotAus-Kreis

Die Notaus-Schaltung ist auf der Netzteilplatine untergebracht. Das habe ich wegen der besseren Übersicht getrennt gezeichnet:  
NotAus-Schaltung
Der 6-polige SiKreis-Anschluss X21 auf der Rückwand ermöglicht verschiedene Maßnahmen zur Sicherheit. Die Spannung am Werkzeug beträgt maximal 120VDC und ist damit nicht lebensgefährlich. Indirekt kann die Berührung der Spannung durch reflexartige Bewegung aber Schäden zur Folge haben. Um das weitgehend auszuschließen, kann ein Arbeitsplatz je nach Vorschrift verdrahtet werden. Die einfachste Version ist links gezeigt, eine Brücke von 6 nach 3. Dann wird die Erodierspannung im angehobenen Zustand, also beim einrichten, vom A2 INS gesperrt. An der Leitung “NotAus Endstufe” hängen die Relais auf der Endstufenplatine. Zusätzlich schaltet die CPU die Pumpe aus. Sonst könnte aus Versehen das Dielektrikum durch die Gegend spritzen. Benötigt man eine Umhausung mit Tür, kann ein Türkontakt zwischen 6 und 3 verwendet werden. Bei großen Maschinen ist in diesen Kreis noch ein Temperaturschalter und ein Niveauschalter geschaltet. Dann darf dann nur erodiert werden wenn die Temperatur unter den Flammpunkt bleibt und Werkstück plus Werkzeug komplett im Dielektrikum eingetaucht sind. Bei meiner kleinen Maschine ist das wegen der geringen Leistung nach meiner Ansicht übertrieben. Auch nach mehrstündigen Erodieren erwärmt sich das Dielektrikum nur 14°C über die Raumtemperatur. Falls man bei geschlossener Tür nicht mehr an die Starttaste herankommt, kann extern eine Starttaste an 1 und 2 angeschlossen werden. Wenn nötig kann der INS auch überbrückt werden. Mit einer Verbindung von 5 nach 6.   Funktionsbeschreibung: Bei getätigter NotAus-Taster S6 oder direkt nach dem Einschalten ist das Relais K2 abgefallen. Kontakt 31/34 ist geöffnet, die Schaltung ist im Notaus-Modus. Der Kontakt 22/21 ist geschlossen und sperrt den Schrittmotortreiber über seinen Eingang EN. Wenn der NotAus-Taster in Ruhestellung (also geschlossen) ist, bleibt zunächst der Notaus-Modus. Dann muss die Starttaste betätigt werden. Über X12.3 und D4 wird K2 aktiv und bleibt über Kontakt 31/34 in Selbsthaltung. Damit ist der Notaus-Modus beendet. Texte im Display, Zeile4, informieren ob der NotAus-Taster betätigt ist oder ob die Starttaste betätigt werden muss.
X21

5.3. Die Endstufe

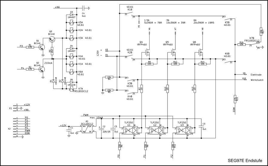
Die Endstufe ist erdfrei aufgebaut. Mit den 6 Relais K1 bis K6 wird die Endstufe je nach gewünschter Polarität ans 120VDC-Netzteil und an den Ausgang Elektrode / Werkstück geschaltet. Das Relais K7 verbindet im Stoppmod eine Testspannung von etwa 50V über R16, R17 und R4 an die Elektrode. Damit kann die CPU erkennen, ob das Werkzeug das Werkstück (also GND) berührt. Ist zum Einrichten nötig. Die Transistoren Q1 bis Q3 schalten die Relais, verhindern aber das gleichzeitige Einschalten alle Relais falls die CPU dies versuchen sollte. Das würde das 120VDC-Netzteil kurzschliessen. Die Leitung PWM kommt von der CPU und enthält das Impuls/Pause-Signal. Je nach gewünschten Strom werden über P0, P1 und P2 die Leistungs-VMOS Q4 bis Q6 aktiv. Von der Elektrode über R15 zur Leitung EDM gelangt die Spannung zur CPU zwecks Regelung. Die Endstufe ist mit 6,3mm-Flachstecker auf kurzem Weg mit den “Kühlturm” und den Ausgangsbuchsen verbunden.
SEG97E Endstufe Erodier V2 Seite 4 Erodier V2 Seite 4