Peter Hofbauer’s private Homepage
Selbstbauprojekte eigene Entwicklungen
Home Erodiermaschine V2  Seite 1 Erodier V2 Seite 2 Erodier V2 Seite 3 Erodier V2 Seite 4 Erodier V2 Seite 5 Impressum Letzte Änderung: 08.Juli 2013 Copyright: frei! Impressum Letzte Änderung: 22.11.2020 Copyright: frei!

Senk-Erodiermaschine, Version 2, Seite 1/5

Home Nächste Seite
Die erste Version meiner Erodiermaschine (”Die wahrscheinlich kleinste funktionsfähige Senk-Erodiermaschine der Welt”), habe ich 2014 beschrieben. Die Statistik über meine Homepage zeigt: diese Erodiermaschine hat die meisten Besucher. Auch direkte Kontakte via Email wegen der Maschine kamen. Mit so viel Interesse hatte ich nicht gerechnet. Die kleine Maschine hatte ich als Spaßprojekt angefangen und mit bereits vorhandenen mechanischen und elektronischen Teilen gebaut.  Ein Nachbau ist deshalb eigentlich ausgeschlossen weil die meisten Teile nicht beschaffbar sind.   Darum habe ich eine einfachere Version 2 konstruiert mit leicht beschaffbaren Teilen. Der Generator und der Maschinenteil wurde als komplette Einheit konstruiert. Die Steuerung der Z-Achse erfolgt mit einen dsPIC4011 digital. Der Regelalgorithmus ist verblüffend einfach. Zu meiner eigenen Überraschung funktioniert das sehr gut. Sogar deutlich besser als bei der ersten Maschine mit analoger Regelung. Das erkläre ich bei der Beschreibung der Software genauer.

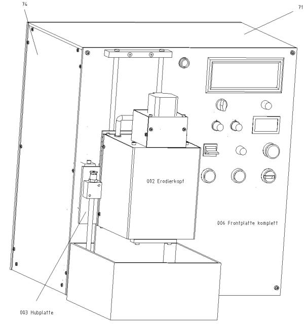
1. Die fertige Maschine

Erodiereinheit nach oben gezogen: Einrichten
Erodiereinheit unten: Erodieren
Wie bei der ersten Version gehört ein Behälter für das Dielektrikum nicht direkt zur Maschine sondern wird getrennt dazu gestellt. Dadurch wird die Größe der Werkstücke nicht auf die Maße des Behälters eingeschränkt. Auf den Fotos oben habe ich eine kleine Plastikwanne aus dem Baumarkt verwendet. Die Erodiereinheit kann nach oben aus dem Behälter gezogen werden. In dieser Stellung kann man das Werkstück, das Werkzeug und das Spülrohr positionieren ohne mit den Dielektrikum in Berührung zu kommen. Vorsichtshalber sind die Erodierspannung und die Pumpe gesperrt. Der Motor ist bedienbar. Ein Sperrblech sorgt für eine Blockierung an jeder Stelle. Zum Absenken dieses Sperrblech nach unten drücken. Unten erkennt ein Näherungsschalter die abgesenkte Position und gibt die Erodierspannung und die Pumpe frei. Die Erodiereinheit ist über Stecker mit dem Generator verbunden. Die Erodiereinheit mit Erodierkopf und Hubplatte ist leicht vom Generator lösbar. Die Z-Achse besteht aus zwei 8mm-Linearwellen, die in Kugelumlauflager geführt sind. Werkzeuge sind auf einer isolierten Brücke mit zwei M4-Schrauben an der Linearwelle verschraubt. Dadurch sind die Werkzeughalter gegen Verdrehen gesichert. Und können leicht gegen alle möglichen Formen von Werkzeughalter ausgetauscht werden. Hier ein paar Beispiele verschiedener Werkzeughalter. Direktes montieren eines Werkzeugs auf diese isolierte Brücke ist natürlich ebenfalls möglich.

Bedienung des Generators

 Das Foto zeigt den Generator im aktiven Erodiermod.  Zeile 1: Erodierstrom von 1,5A bis 10,5A, Impulsdauer von 2 bis 99us, Impulspause von 2 bis 99us einstellbar. Zeile 2: Istposition in mm, EP (Erodierpause, “Timer”) von 0 bis 99s. Zeile 3: Gewünschtes Ziel im mm, Erodier-Polarität EroPos / EroNeg. Zeile 4: diverse Meldungen, im aktiven Erodiermod: die Erodierzeit. Ändern der Daten: mit Datenwahlschalter wählen, wird im LCD mit Pfeil gekennzeichnet, und dann die Daten mit den Drehknopf verändern. Kann in 1er, 10er (schnell drehen), 100er (Knopf gedrückt) und 1000er (Knopf gedrückt und schnell drehen) -Schritte erfolgen. Der digitale Regelprozess ermöglicht eine genaue Anzeige der Abtragswirkung in % der Impulsdauer. Kann mit den Einstellern optimiert werden. Das wird genauer bei der Beschreibung der Software erklärt. Mit dieser Anzeige kann der Erodiervorgang wesentlich besser beurteilt werden anstelle der sonst üblichen Stromanzeige. Bewegen der Z-Achse zum Einrichten Pumpenwirkung von Aus bis maximal einstellbar NotAus-Schlagtaster Starttaste, Stopptaste und Netzschalter Der Ablauf: 1.) Zunächst muss die Erodiereinheit nach oben gezogen werden. Werkstück zum Werkzeug mechanisch ausrichten. 2.) Dann das Werkzeug auf das Werkstück aufsetzen. Dazu den Wippschalter nach unten drücken, der Z-Motor hält bei Berührung an. 3.) Dann den Datenwahlschalter auf “Z=0” stellen, den Drehknopf drücken und drehen. Damit ist die Istposition auf 000,00 gesetzt. Der Sekundenzähler für die Erodierzeit wird damit ebenfalls auf 0 gesetzt. 4.) Den Datenwahlschalter auf “Ziel” stellen und die gewünschte Erodiertiefe einstellen. Diese muss natürlich nach unten, also negativ sein. Falls die Istpositon unter dem Ziel ist oder das Ziel im positiven Bereich, kann nicht erodiert werden und es erfolgt eine entsprechende Meldung in der vierten Zeile des LCD. 5.) Die übrigen Daten können jetzt, oder jederzeit, auch im aktiven Erodierprozess, eingestellt werden. 6.) Die Erodiereinheit absenken. Dazu am Griff festhalten, der Sperrblech nach unten drücken und langsam nach unten in das Dielektrikum tauchen. 7.) Mit der START-Taste starten. Die Erodierwirkung ist am analogen Messwerk erkennbar. Kann etwas mit den linken Einsteller verändert werden. Das kann nie 100% werden, 50% ist der maximal mögliche, 20% oder auch 10% sind OK. Der Erodiervorgang kann jederzeit gestoppt und gestartet werden. Die Daten kann man mitten im Prozess ändern und deren Wirkung sofort beobachten. Der Sekundenzähler für die Erodierzeit wird im Stopp angehalten, er zählt nur die aktive Zeit. Die Erodierpause (EP) wird an den meisten Maschinen als “Timer” bezeichnet. Diese Einrichtung soll die Spülung erleichtern. Immer nach Ablauf der eingestellten Zeit wird die Z-Achse auf die Werkstück-Oberkante plus 2mm angehoben. Nach einer Wartezeit von 0,5s läuft die Z- Achse wieder zurück zur vorigen Position und das Erodieren geht weiter. Wenn EP auf eine gerade Ziffer steht (10...12...14..) wird vorm anheben eine Vibration aktiv um den Abbrand abzuschütteln. Zum Abschalten des Timers muss man die EP auf 0 stellen. Technische Daten Abmessungen des Generators B = 400mm, H = 550mm, T = 257mm Abmessungen der Erodiereinheit B = 162mm, H = 550mm (Erodierkopf oben), T = 171 mm Abstand Mitte Werkzeug zur Hubplatte = 102 mm maximale Behälterhöhe = 141 mm Vertikale Bewegung Erodierkopf = 147mm Pinolenhub zwischen den Endschaltern = 118mm Gewicht komplett = 28kg Erodierspannung = max. 120V Erodierströme = 1,5A  / 3A / 4,5A / 6A / 7,5A / 9A  / 10,5A Impulsdauer = 2 bis 99us Impulspause = 2 bis 99us, aber nicht länger wie die Impulsdauer Timer für Spülung = 0 bis 99s Auflösung der Positionsanzeige = 0,01mm, intern 0,0025mm  

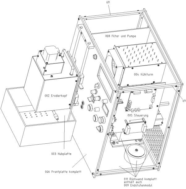
2. Baugruppen-Übersicht

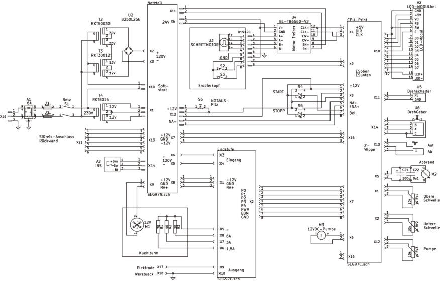
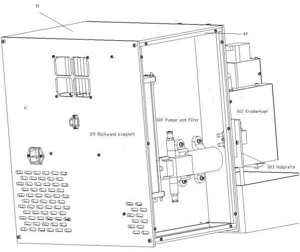
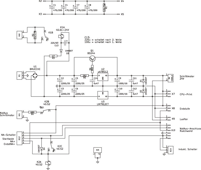
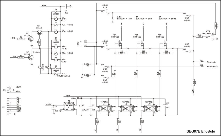
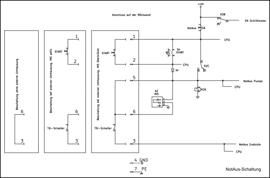
Die Erodiermaschine wurde in 7 Baugruppen unterteilt konstruiert. Der mechanische Teil  ist in 7 Gruppen unterteilt: 002 = Erodierkopf 003 = Hubplatte 004 = Kühlturm 005 = Steuerung 006 = Frontplatte komplett 008 = Filter und Pumpe 011 = Rückwand komplett Der Elektrisch Teil ist auf 3 Platinen verteilt: SEG97N = Netzteil SEG97E = Endstufe SEG97C = Kontroller Der Netzeingang mit den Netztrafos gehört zur Gruppe 011 = Rückwand komplett.   Alle Bedieneinheiten, Display, Potis usw gehört zur Gruppe 006 = Frontplatte komplett. Der Schrittmotortreiber gehört zur Gruppe 005 = Steuerung. Die Ziffern in den 3D-Zeichnungen sind die Endziffern im Dateinamen der Dxf- Einzelteil-Zeichnungen im Download.
Erodiermaschine V2  Seite 1 Erodiermaschine V2  Seite 1