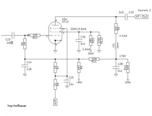
Ein Nachteil dieser Röhrenserie ist die interne Verbindung der Kathode mit den Stahlkolben. Dashalb steht bei Verwendung  eines Kathodenwiderstandes eine Spannung zwischen Röhrenkolben und Chassis/GND. Diesen Nachteil habe ich durch eine   andere Schaltung behoben. Die Kathode kann ohne Kathodenwiderstand direkt mit GND verbunden werden. Damit liegt auch der Stahlkolben auf GND. Die hier gezeigte Schaltung benötigt 2 stabile Spannungen: +200V und -85V. Bei richtiger Dimensionierung wird der Anoden- oder Kathodenstrom besser stabilisiert als mit Kathodenwiderstand. Außerden kann man den Anoden- bzw Kathodenstrom einfacher berechnen. Das Schaltbild zeigt als Beispiel die HF-Vorstufe. R12 erfüllt die selbe Funktion wie ein Kathodenwiderstand. Der Spannungsteiler R11/R9 bestimmt die Spannung hinter R12. Als Beispiel zeige ich mal 2 Proberechnungen mit der Annahme, das die Röhre einmal 0V und einmal -10V am Gitter benötigt. 1. Man nimmt zunächst einfach für den Knoten R11/R9 eine Gitterpannung von 0V an. Dazu wäre hinter R12 folgende Spannung nötig: 85V*10M/4,7M=180,8V. 2. Dann nimmt man statt 0V mal -10Van. Diese Rechnung sieht dann so aus: (85V-10V)*10M/4,7M=157,5V. Im ersten Fall beträgt der Anodenstrom (200V- 180,8V)/6,8=2,82mA, im zweiten Fall (200V-157,5V)/6,8=6,25mA. Das Beispiel bezieht sich auf 2 verschiedene Röhren. Die erste erreicht bei Ug=0V nur Ia=2,82mA und die zweite bei Ug= -10V einen Ia=6,25mA. Solch verschiedene Exemplare gibt es bei ein und denselben Typ nicht. Es zeigt aber die gute Stabilsationswirkung der Schaltung. Rechnet man das selbe mal mit den für die EF13 empfohlenen Kathodenwiderstand von 400 Ohm: 1. 2,82mA*0,4k=1,13V 2. 6,25mA*0,4k=2,5V Bei einem Kathodenwiderstand dürfte die Röhre also nur eine Toleranz von -1,13V bis -2,5V haben im Gegensatz zu den 0V bis -10V. Die Stabilisierungswirkung ist umso besser je höher der Wert des R12 ist. Bei einer höheren Ub als hier 200V kann man der R12 entsprechend erhöhen um noch besser zu stabilisieren. Einen Kathodenwiderstand kann man dagegen nicht einfach erhöhen. Nachteil: man benötigt 2 stabile Spannungen und etwas mehr Widerstände.
Peter Hofbauer’s private Homepage
Selbstbauprojekte eigene Entwicklungen

Stahlradio (2/10), Schaltplan S.1

Betrieb ohne Kathodenwiderstand

Die HF-Vorstufe

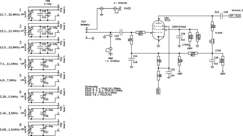
Im Bereich unter 3,5MHz arbeitet das Gerät als Einfach-Super mit einen 440pF-3-fach-Drehko. Über 3,5MHz arbeitet das Gerät als Doppelsuper mit einen 110pF-4-fach-Drehko. Die Drehkos, deren Umschaltung und der Skalenantrieb sind in der "Drehkogruppe" mechanisch und elektrisch zusammengefasst. Der Anschluß der Drehkos erfolgt über 50R-Koaxleitungen und HF-Stecker. Das ist nötig weil die Drehkos parallel zur Frontplatte und der Bereichsumschalter im 90°-Winkel dazu angeordnet sind. Eine direkte und kürzere Verbindung wäre besser gewesen, ist aber wegen der mechanischen Anordnung nicht möglich. Eigendlich war für die Bereichsumschaltung ein Drehschalter vorgesehen. Damit gab es aber Ärger. Vor allem bei den oberen Frequenzen. Die Leitungen vom Spulenprint zum Schalter und dann zur Schaltung zurück waren zu lang. Pro mm Leitung beträgt deren Induktivität etwa 1nH. Im Oszillator betrug ein Leitungsstrang insgesamt etwa 150mm und damit 0,15uH. Das ist schon die Hälfte der erforderlichen Kreisinduktivität von 0,3uH im oberen Frequenzbereich. Der Oszillator funktionierte mit Aussetzern und zu geringen Frequenzumfang. Zuerst hatte ich die KW-Bandfilter wie unten gezeigt ( "Alte Schaltung" ) mit kapazitiver Kopplung am heißen Ende realisiert. Die Durchlaßkurve ändert sich entsprechend der Drehkostellung. Bei einen kleinen Frequenzbereich ist das vernachlässigbar gering. Beim Stahl-Radio ist aber der Bereich zu breit wie ich leider feststellen mußte. Dazu gab es aber noch einen rätzelhaften Effekt wie in der Grafik rechts neben der "Alten Schaltung" gezeigt. Dieser trat in den beiden oberen Frequenzbereichen auf ( "Kanal 1" und "Kanal 2" ). Am unteren Bereichende (etwa 20MHz) ist die Durchlaßkurve schmal und steil. Am oberen Ende (etwa 30MHz) breit und mit einer starken Einsattlung. Soweit noch logisch erklärbar. Aber dazwischen verschwindet das Signal komplett. Siehe gestrichelte Linie. Wie das zu erklären ist habe ich mit meinen Simulator am PC zu finden versucht. Die einzige Ursache kann eine gemeinsame Leitungsinduktivität in der GND-Leitung des Drehkos sein. Das KW-Bandfilter wurde dann wie unten gezeigt (  "Neue Schaltung" ) doppelt gekoppelt. Also kapazitiv am heißen Ende für den oberen Frequenzen und mit Fußpunktkopplung für die unteren Frequenzen. In der Praxis konnte C6 entfallen, es reichen die Schaltungskapazitäten. Die Durchlaßkurven sind jetzt im ganzen Bereich fast ideal.

Im Schaltplan unten:

Von der Antennen (X405) gelangt über Koppelspulen das Signal zum ersten Vorkreis. Mit U5 = EF13 wird verstärkt. Inzwischen habe ich stattdessen eine EF15 eingesetzt wegen etwas geringeren Rauschen und höherer Verstärkung. Im Anodenkreis sorgen R5 und L11 für der DC- Stromkreis. Über C29 gelangt die HF zum KW-Bandfilter bzw zum zweiten Vorkreis. Die Regelspannung kommt über R8, R7, R6 zum Steuergitter. Wegen der oben beschriebenen Arbeitspunktstabilisierung ( "Betrieb ohne Kathodenwiderstand" ) ist eine relativ hohe Regelspannung am Anschluß "AVR" nötig. Die Gleichspannungs-Rückkopplung vom R12 über den Teiler R11/R9 wirkt der Regelpannung entgegen. Der R7 entkoppelt die Regelspannungserzeugung von dieser Arbeitspunktstabilisierung. Vor R7 ist die Regelspannung noch in voller Höhe. Hier ist das Bremsgitter angeschlossen damit es eine  höhere Regelspannung bekommt. Das ist ein Vorschlag aus den Telefunken-Datenblätter. Soll die Regeleigenschaften verbessern.
Im folgenden Schaltplan ist das mit "Kanal 1" bis "Kanal 6" bezeichnete KW-Bandfilter zu sehen. Das KW-Bandfilter arbeitet mit zwei 110pF- Drehkos. Für die beiden Bereiche unter 3,5MHz sind nur Einzelkreise vorgesehen. Diese arbeiten mit einen 440pF-Drehko.
Die Hauptaufgabe der Vorkreise: Spiegelfrequenz dämpfen! Die Sperrung von Sendern die dicht zusammenliegen können Vorkreise nicht. Die Bandbreite ist wegen der hohen Empfangsfrequenz in Tateinheit mit geringer Spulengüte zu groß. Allzu klein darf die Bandbreite auch nicht sein weil sonst der Gleichlauf -vor allem mit dem Oszillator- nicht funktioniert. Die Sperrung der ZF ist ebenfalls eine Aufgabe der Vorkreise.
Home Stahlradio Seite 1 Seite 2 Seite 3 Seite 4 Seite 5 Seite 6 Seite 7 Seite 8 Seite 9 Seite 10 Home vorige Seite nächste Seite Impressum Letzte Änderung: 08.Juli 2013 Copyright: frei! Impressum Letzte Änderung: 12. April 2016 Copyright: frei! Seite 2 Seite 2