Peter Hofbauer’s private Homepage
Selbstbauprojekte eigene Entwicklungen
Impressum Letzte Änderung: 08.Juli 2013 Copyright: frei! Impressum Letzte Änderung: 16. November 2019 Copyright: frei!
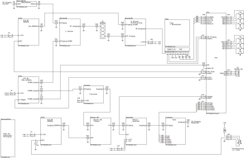
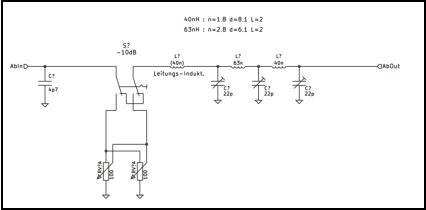
Die Beschreibung erfolgt wie auf der Übersicht in einzelne Baugruppen unterteilt. Zuerst der HF-Teil. 1.) Analyzer-Eingang “Abschwächer”, Datei HFP9500G Der Eingang kann über einen Kippschalter direkt oder über ein Poti erfolgen. Weil kein “richtiges” 50-Ohm-HF-Poti verfügbar war, habe ich einen Versuch mit ein normales Doppelpoti 2x100R unternommen. Überraschenderweise geht das bis 250MHz einwandfrei. Mal abgesehen von der Fehlanpassung. Die Abschwächung mit diesen Poti kann bis 18dB ohne Veränderung des Frequenzganges erfolgen. Erst darüber ist eine Änderung erkennbar. Die Meßgenauigkeit ist aber nur bei direkter Kopplung ohne Poti gegeben. Ein auf 240MHz abgeglichener Tiefpass verringert Signale über den gewünschten Frequenzbereich. Außerdem werden HF-Spannungen von den Oszillatoren verringert, die sollen am Eingang nicht herauskommen. Diese Schaltung ist in ein kleines Gehäuse auf der rechten Seite des Gerätes untergebracht.

HF-Meßplatz mit Spektrumanalyzer, Meßsender, Wobbler und HF-Voltmeter , Seite 2/7

Der Schaltplan, Beschreibung (1)

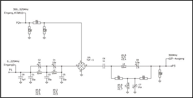
2.) erster Mischer “Mischer#1”, Datei HFP9500L Das Eingangssignal geht über einen 240MHz-Tiefpass zum Mischer TUF-1. Der VCO (300MHz...525MHz) geht über eine Pi- Netzwerk zwecks Anpassung der Spannung und Impedanz zum Mischer. Der ZF-Ausgang erfolgt über eine frequenzabhängige Impedanzkorrektur. Die ist von Vorteil weil die Impedanz des darauf folgende Helixfilters etwa 70 Ohm beträgt.
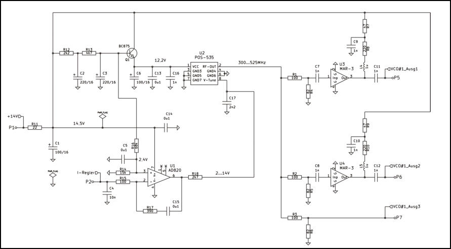
3.) VCO#1 “VCO #1”, Datei HFP9500B Der VCO POS-535 liefert 300MHz bis 524,400MHz. Die Frequenz wird durch die Spannung am Pin 8 bestimmt. Der OP AD820 wandelt die Ladeströme vom PLL-Baustein in eine Regelspannung von etwa 2V bis 14V um. Die RC-Kombinationen C4/R15, R17/C15 und R18/C17 bilden das Regelfilter. Damit wird ein möglichst geringes Phasenrauschen eingestellt. An der Beschaltung des OPs fällt die fehlende DC-Gegenkopplung zur Arbeitspunkteinstellung auf. Das ist hier nicht nötig. Die Ladeströme vom Eingang (P2) laden über R17 den C15 auf die richtige Regelspannung. An den Eingängen des OPs sind konstant etwa 2,4V. Die Kombination R17/C15 hat den größten Einfluß auf die korrekte Funktion. Die Betriebsspannung für den POS-535 wird mit Hilfe der Siebketten R12/C2/R13/C3, Transistor Q1 und C6/C13/C16 gereinigt. Um das Rauschen des VCO zu vermindern. Die HF am Ausgang des POS-535 wird mit U3 und U4 auf 8dBm angehoben gegeneinander entkoppelt. Diese Ausgänge werden für den Mischer#1 des Analyzers  und den Mischer#3 des Meßsenders verwendet. Diese Einrichtung soll ein Übersprechen der beiden 300MHz-Oszillatoren in den jeweils anderen Zweig verhindern. Über den Spannungsteiler R3/R6 wird die HF abgesenkt. Dieser Anschluß geht zum PLL-Baustein ADF4110 auf der CPU-Platine.
Eingang
zum 1.Mischer
Home vorige Seite nächste Seite
4.) Das 300MHz-Helixfilter Die ZF wird mit einen selbst gebauten 4-Kreis Helixfilter steilflankig selektiert. Dessen Bandbreite beträgt 2MHz. Das Filter wurde mit der Software “Helical 2.04” berechnet. Es war sehr schwierig das Filter auf die 300MHz zu bringen. Auslösung Horizontal: 20MHz/cm, Vertikal: 10dB/cm Laut Berechnung sollten 10 Windungen erforderlich sein. Nach sehr vielen Tests bin ich dann endgültig bei nur 6 Windungen angekommen. Dieses Filter mußte dabei mehrmals verlötet und wieder geöffnet werden. Das Filter besteht aus: Rohrtrimmer 9p Spulen n=6 x 0,63CuL, hier sind noch 10 Windungen sichtbar Grundplatte mit SMC-Buchsen und Befestigungsschrauben Vier Rohre di=15, da=17, l=33 aus Messing Die Kopplung erfolgt kapazitiv am oberen Ende der Spulen. Obere Deckplatte 21x72x0,6 aus Messing
5,) ZF-Verstärker und Direktmischer “Mischer#2”, Datei HFP9500D Die ZF von 300MHz wird in drei Stufen verstärkt und dem Direktmischer SBL-1 zugeführt. Die Stufen bestehen aus Transistoren vom Typ 2N5179. Zur Kopplung dienen zwei ZF-Kreise. Die Eingangsimpedanz beträgt etwa 70 Ohm und passt damit zum Helixfilter. Der Direktmischer demoduliert die ZF. Am Ausgang beträgt die Frequenz prinzipbedingt von 0Hz (bzw DC) bis maximal 1MHz. Davon werden aber nur 200Hz bis 500kHz je nach Bandbreite verwendet. Der FET am Ausgang des SBL-1 ermöglicht einen korrekten Abschluß des SBL-1 mit R9 und Trennung von der folgenden Filterbaugruppe. Mit C18 = 2u2 wird die untere Grenzfrequenz im NF-Zweig eingestellt.
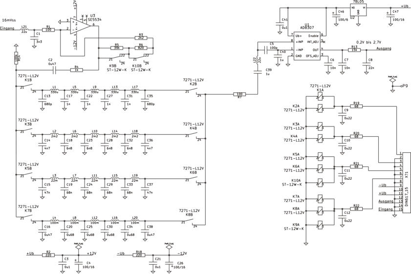
6.) Filter und Logarithmierer “Filter”, Datei: HFP9500E Eine HF-Sperre L21/C1 senkt restliche 300MHz-Signale ab. Der OP U3 vom Typ SE5534 ist besonders rauscharm. Er verstärkt die NF auf einen benötigten Pegel am Eingang der Tiefpässe. Weil die vier Tiefpässe unterschiedliche Dämpfungen haben, wird die Verstärkung mit den Relais K9 und K10 entsprechend angepasst. Die Tiefpässe sind mit für eine Impedanz von 1kOhm ausgelegt. Die RCL-Kombinationen am Eingang des AD8307 vernichten restliche HF- Signale. Die Kondensatoren C2, C39 und C40 senken die untere Grenzfrequenz ab. Damit wird ein ansteigen der Spannung am Ausgang des AD8307 entgegen gewirkt. Im zusammenspiel mit C6 wird dadurch eine konstante Auswertung der NF-Signale bis herunter zu 200Hz erreicht. Diese Maßnahme ist nötig weil die Ausgangsspannung am Pin 4 des AD8307 eine frequenzabhängige Restwelligkeit hat. Ich kann nur den Spitzenwert dieser Spannung auswerten, also muß bei sinkender Frequenz das Eingangssignal um die Höhe dieser Restwelligkeit abgesenkt werden. Mit C7/R13/C8 wird nochmals geglättet weil hier noch kleine AC-Reste drauf sind. Die Tiefpässe sind nur mit fertig beschaffbaren Spulen und Kondensatoren bestückt. Die etwas krummen Werte der Bandbreiten waren deshalb nicht zu vermeiden. Die Spulen werden nicht abgeglichen. Die daraus resultierende geringe Welligkeit im Durchlaßbereich ist sehr gering und muß toleriert werden.
Hier ist die Wirkung der Direktmischung zu sehen. Die Durchlasskurve des NF.Tiefpass (L4,L8,L12,L16,L20) erscheint gespiegelt um die Nullstelle. Die Frequenz unter 250Hz mußte abgesenkt werden weil sonst der AD8307 für diese Frequenzen einen zu hohen Spitzenwert liefert. Die gesamte Bandbreite beträgt 3kHz weil noch die FM vom VCO#2 dazukommt. Also: alles was innerhalb dieser 3kHz einen Pegel liefert wird im Spitzengleichrichter erfasst und gemessen. Diese Kurve und die folgenden sind gemessen worden. In den folgenden Kurven ist die Nullstelle nicht eingezeichnet. Die senkrechte Skala zeigt die Spannung am Ausgang des AD8307. Eine Spannung von 0,1V entspricht 4dB.
Bandbreite = 10kHz
Bandbreite = 160kHz
Bandbreite = 1MHz
Ansicht von unten
1
2
4
5
3
6
7
7
8
9
10
11
12
13
Home HF-Messplatz S.1 HF-Mess. S.2 HF-Mess. S.3 HF-Mess. S.4 HF-Mess. S.5 HF-Mess. S.6 HF-Mess. S.7
Update Nov. 2019: die Spulen reagierten auf Fremdfelder, wurden durch selbst angefertigte geschossenen ersetzt. Siehe Ende Seite 7!
HF-Mess. S.2 HF-Mess. S.2