Peter Hofbauer’s private Homepage
Selbstbauprojekte eigene Entwicklungen
Impressum Letzte Änderung: 23.September 2023 Copyright: frei! Home Labor-Netzgerät, 3-fach, Seite 1

Labor-Netzgerät, 3-fach (2/2)

Der Schaltplan

 Der Schaltplan betseht aus 8 Seiten: NTG9200 gesamt Plan, Übersicht NTG9200X Platine für den Leistungsteil NTG9200C CPU-Platine NTG9200B Relais und +/-12 Versorgung NTG9200P Regler für +30V NTG9200N Regler für -15V NTG9200K Regler für +15V NTG9200S Softstart-Relais
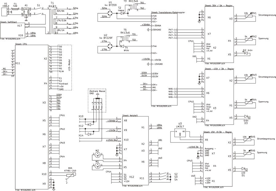
NTG9200 Gesamtplan
Der Gesamtplan zeigt die Verbindung aller Baugruppen. Jede Platine im Gerät ist als Unterschaltung gezeichnet. Die X-Stecker-Positionen, die innerhalb einer Unterschaltung eingezeichnet sind, beziehen sich auf die Positionsbezeichnung auf der entsprechenden Platine. Die beiden Steuertrafos T3 und T5 sind N27-Ringkerne ca. 13 x 6mm mit je zwei mal 14 Windungen (L ca. 0,2mH).  X10, X12 und X14 sind die Ausgangsbuchsen auf der Front, die Schalter S1 bis S4 und die Potis RV1 bis RV6 ebenfalls. Die LEDs D1 bis D3 sind nicht verwendet worden, wird im LCD angezeigt. Die Platine “Netzteil / NTG9200B” enthält die Relais zur Trennung der Ausgänge und die +/-12V-Erzeugung. “Softstart / NTG9200S” vermeidet einen zu hohen Einschaltstrom der Netztrafos. “CPU / NTG9200C” steuert die Thyristoren, die Anzeige der Messwerte usw “Transistoren/Optokoppler / NTG9200X” sitzt unterm Kühlblech und enthält die Leistungsteile und die Nulldurchgangserfassung. “30V/5A-Regler sitzt neben den Netztrafo und enthält den 5A-Regler, die Leistungsteile dazu sind in “NTG9200X” “-15V/3A-Regler sitzt neben den Netztrafo und enthält den minus 3A-Regler, die Leistungsteile dazu sind in “NTG9200X” “15V/0,3A-Regler sitzt neben den Netztrafo und enthält den 0,3A-Regler, steuert den Stabi LM317 GND-Leitungen Wenn mehrere Platinen über Leitungen verbunden sind, entstehen leicht ungewollte Effekte durch die Spannungsabfälle auf den GND Leitungen.  Zum Beispiel falsche Messwerte, 50Hz-Anteile, Schwingneigungen usw. Deshalb habe ich alle GND-Leitungen auf eine zentrale Masse geführt. Die besteht aus einer 40x40mm-Platine links hinter der Front. Alle GND- Leitungen werden über eigene Steckverbinder auf die zentrale Masse gelötet. Die Verbinder sind 4-polig mit 4 Leitungen. Die habe ich verwendet weil ich davon genug im Fundus habe. Einpolig hätte vermutlich auch gereicht. Die Front mit den Bedienteilen, der CPU und Display ist mit trennbaren Leitungen mit dem Hauptteil verbunden. Das ist nötig weil die komplette Konstruktion zusammen gebaut nicht ins Gehäuse passt. Die Front muss zuerst angeschraubt werden. Das Gehäuse kann nur von oben über den Hauptteil gestülpt werden. Kurz vorher wird die Front angeschlossen. Das ist nervig  fummelig weil einige Stecker nur erreichbar sind solange das Gehäuse noch darüber schwebt. Alles eingebaut, sind die Trimmer auf den Reglerplatinen nicht mehr erreichbar. Die ganze Elektronik muss also vorher komplett eingestellt sein. Der Programmieranschluss und die Trimmer auf der CPU-Platine sind aber noch gut erreichbar.    
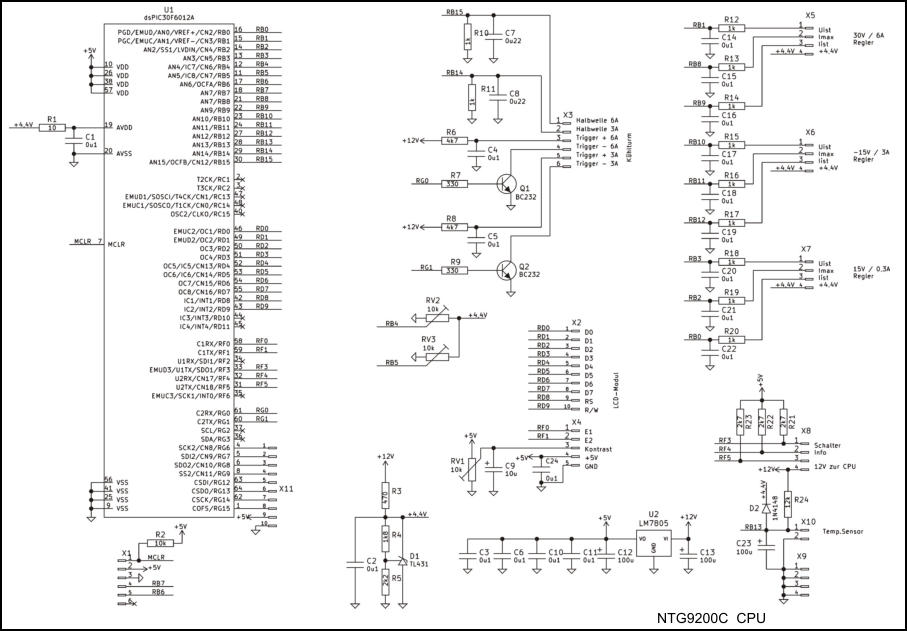
NTG9200C  CPU

Die CPU-Platine und Display

Verwendet wird ein dsPIC30F6012A. Die CPU wird mit 5V und mit internen Takt von 29,48MHz betrieben, was eine Instruktionszeit von 34ns ergibt. Um genaue Messungen mit seinen 12bit-ADW zu bekommen, wird eine extra Referenzspannung von 4,4V verwendet. Ich vermute, das es der Genauigkeit dient, wenn die Referenz etwas unter der Betriebsspannung liegt. Die Referenzspannung wird mit D1 = TL431 auf 4,4V stabilisiert. Diese Referenz wird in allen Reglern verwendet. Die drei Regler sind an X5, X6 und X7 angeschlossen. Die liefern für die insgesamt 9 erforderlichen Messungen zwecks Anzeige eine Spannung zwischen 0 und 4,4V. Wegen der Anbindung an die 4,4V-Referenz ist nur jeweils ein Trimmer je Messwert zur Kalibrierung auf den Reglerplatinen nötig. X3 ist mit den Leistungsteil RKP9200X verbunden. Die CPU-Ports RB14 und RB15 messen die Spannung an den beiden Lade-Elkos. Das wird zur Berechnung des Triggerzeitpuktes der Thyristoren benötigt. Der Triggerpuls kommt über RG0 (RG1). Dann wird über einen kleinen 1:1-Trafo der 0,1uF C4 (C5) ins Gate eines  Thyristors entladen. Mit den beiden Trimmer RV2 und RV3 ist der Abstand der Spannung am Lade-Elkos zur Ausgangsspannung von 0 bis 10V einstellbar. An X8 sind die 3 Schalter auf der Front angeschlossen. Daran erkennt die CPU den “Aus”-Zustand. An X10 ist ein Temperatursensor zwecks Messung der Kühlkörpertemperatur. Wird im Display angezeigt und bewirkt über 75° einen Stopp der Thyristor-Triggerung. Das LCD-Modul WD-C2704M-1HNN hat 4 Zeilen zu je 27 Zeichen. Das LCD ist leider nicht beleuchtet. Die CPU ist viel zu schnell für dieses LCD. Die Firmware dazu benötigt viele Warteschleifen und wird mit einen Timer nur alle 140us aktiviert. Mit RV1 ist der Kontrast einstellbar. X11 war eigentlich nur als Reserve vorhanden. Im Laufe der Entwicklung waren aber 3 von dessen Pins (5V, GND, RG15) für die Nulldurchgangserkennung und für einen “elektronischen Aufzug” nötig. Das ist eine Schaltung um die Spannung am Minus-Lade-Elko aufs CPU- Potential zu heben.
NTG9200X Transistoren und Optokoppler

Die Platine unterm Kühlblech

C1 ist der Lade-Elko für den 15V/5A-Regler. Die Leistungstransistoren Q1 und Q2 werden von der Platine NTG9200P gesteuert. R8 und R6 sollen den Strom durch beide Transistoren aufteilen. R3 und R4 ist der Shunt für die Strom-Messung   C3 liegt parallel am Regler-Ausgang um Schwingneigung zu dämpfen. R6 geht an die CPU-Platine, hier wird die Spannung am Lade-Elko gemessen. Der Teil mit den Optokoppler U1 dient der Nulldurchgangserkennung. C2 ist der Lade-Elko für die Minus des -15V/3A- Reglers. Leistungstransitor Q3 wird von der Platine NTG9200N gesteuert. R5 ist der Shunt für die Strommessung. C4 liegt parallel am Regler-Ausgang um Schwingneigung zu dämpfen.   Die Schaltung mit den Transistor BC232 hebt die Minus-Spannung auf das Spannungspotential der CPU damit die Spannung am Lade-Elko gemessen werden kann. Die Funktion der Regler ist wegen der Aufteilung in verschiedene Zeichnungen etwas schwer zu verfolgen.
NTG9200P  30V / 5A - Regler

Der 30V / 5A - Regler

An X6 ist der Leistungstransistor angeschlossen: 1 = Emitter 2 = Kollektor und Lade-Elko 3 = Basis Der Treiber Q2 liegt zwischen Kollektor und Basis des Leistungstransistors.   Der Transistor Q1 trennt die OPs TL074 von der höherem Spannung des Leistungsteils . U1E regelt die Spannung auf den vom Spannungs-Poti an der Front gewünschten Wert. U1B verstärkt die Spannung vom Strom-Shunt auf bis 4,4V. U1D vergleicht den Stromwert mit den vom Strombegrenzungs-Poti eingestellten Wert. Wenn überschritten, bzw erreicht wird, bremst U1D über D1 die Spannungsregelung. Ab dann ist diese Schaltung statt Spannungsregler ein Stromregler. Der Widerstand R? ist nachträglich eingelötet worden. Damit soll der Reststrom des Reglers abgeleitet werden damit die Spannung wirklich bis auf 0V herunter geregelt werden kann. Mit RV2 wird die Ausgangsspannung auf den im LCD angezeigten Wert getrimmt. Das selbe mit RV1 für den Strom.
NTG9200N -15V / 3A - Regler

Der -15V / 3A - Regler

An X6 ist der Leistungstransistor angeschlossen: 1 = Emitter 2 = Kollektor und Lade-Elko 3 = Basis Der Treiber Q2 liegt zwischen Kollektor und Basis des Leistungstransistors.   Der Transistor Q1 trennt die OPs TL074 von der höherem Spannung des Leistungsteils . U1E bringt die negative Spannung auf einen positiven Wert von 0V bis 4,4V. U1D regelt die Spannung auf den vom Spannungs-Poti an der Front gewünschten Wert. U1A verstärkt die Spannung vom Strom-Shunt auf bis 4,4V. U1B vergleicht den Stromwert mit den vom Strombegrenzungs-Poti eingestellten Wert. Wenn überschritten, bzw erreicht wird, bremst U1B über D1 die Spannungsregelung. Ab dann ist diese Schaltung statt Spannungsregler ein Stromregler. Der Widerstand R99 ist nachträglich eingelötet worden. Damit soll der Reststrom des Reglers abgeleitet werden damit die Spannung wirklich bis 0V herunter geregelt werden kann. Mit RV2 wird die Ausgangsspannung auf den im LCD angezeigten Wert getrimmt. Das selbe mit RV1 für den Strom.
NTG9200K 15V / 0,3A - Regler

Der 15V / 0,3A - Regler

Dieser Regler verwendet als Stellglied einen Stabi-IC LM317. Die interne Referenzspannung plus der Z-Spannung der Z4V7 verschieben das Spannungspotenzial um etwa 6V nach unten und ist damit im Bereich der OPs.
U1E regelt die Spannung auf den vom Spannungspoti an der Front gewünschten Wert. U1D und U1B verstärken die Spannung am Strom-Shut R16 auf bis max. 4,4V. U1A vergleicht den Stromwert mit den vom Strombegrenzungs-Poti eingestellten Wert. Wenn überschritten, bzw erreicht wird, bremst U1A über D2 die Spannungsregelung. Ab dann ist diese Schaltung statt Spannungsregler ein Stromregler. Der Widerstand R99 ist nachträglich eingelötet worden. Damit soll der Reststrom des Stabis abgeleitet werden damit die Spannung wirklich bis 0V herunter geregelt werden kann. Mit RV2 wird die Ausgangsspannung auf den im LCD angezeigten Wert getrimmt. Das selbe mit RV1 für den Strom.
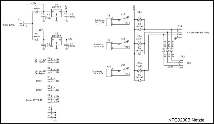
NTG9200B Netzteil

Platine “Netzteil”

Diese Platine ist das +/-12V Netzteil. Hier sind auch die Relais für die Trennung der Ausgänge. An X11 sind die Schalter auf der Front und über X12 wird die CPU über deren Stellung informiert. Von hier bekommen die 3 Reglerplatinen Ihre +/- 12V Betriebsspannung und die CPU ihre 12V. Und die beiden 24V-Lüfter werden sind mit 20V versorgt. X8, X9 und X10 sind Klemmen für die Leitungen vom Regler zu den Ausgangsbuchsen auf der Front.
RKP9200S Soft-Start

Platine Soft-Start

Das Relais überbrückt den R2 wenige 0,2 Sekunden nach dem Einschalten des Gerätes. Der R2 liegt vor der 230V-Wicklung des Netztrafos . Mit dieser Einrichtung wird der Einschalt-Stromstoß etwas minimiert um ein Auslösen der Sicherung im Stromnetz zu verhindern.

Manöver-Kritik

Das Labor-Netzgerät funktioniert einwandfrei. Trotzdem gibt es einige wenige Kritikpunkte. Das Display ist nicht beleuchtet, aber wegen der großen Zeichen trotzdem einigermaßen gut ablesbar. Das Gehäuse ist eigentlich zu klein. Das Ganze konnte ich nur mit Hilfe meines 3D-CAD konstruktiv verwirklichen. Deshalb herrscht ein Tohawubu mit den Leitungen. Sieht wie “Kraut und Rüben” aus. Das geht nicht anders weil die Front und der Hautteil nur getrennt ins Gehäuse eingebaut werden können. Dann sind auch leider die Einstelltrimmer auf den Reglerplatinen nicht mehr zugänglich. Im Ergebnis ist aber die Funktion der Kühlung perfekt gelöst. Die Luft wird im unteren Teil der Rückwand und durch Schlitze im Bodendeckel angesaugt und im oberen Teil der Rückwand ausgeblasen. Dabei wird auch der Netztrafo ausreichend gekühlt. Dauerbetrieb ist möglich trotz der Enge im Gehäuse. Die 2 Lüfter laufen immer, was auch nerven kann. Ist aber besser so, ein automatischer Betrieb je nach Temperatur kann ich nur bei größeren Gehäuse empfehlen. Das Prinzip mit der Vor-Regelung mit Thyristor hat auch einen Nachteil.  Im Bild ist oben (blau) ist die Ausgangsspannung zu sehen. Daran erkennt man die Arbeit des Thyristors. Der Strom (gelb) ist von 1A auf 5A erhöht worden. Der Thyristor benötigt dann eine 50Hz-Periode (also 2 Halbwellen) um den Lade-Elko auf die 5V über Ausgangsspannung zu bringen. Der Lade-Elko kann seine Ladung in dem Fall nur 10ms halten. Dieser Effekt tritt natürlich bei schnelleren Stromänderungen nicht auf. Abhilfe kann ein größerer Elko oder eine höhere Elko-Spannung bringen.

Nachbau?

Wie alle meine Berichte ist auch dieser keine Bauanleitung. Als Grundlage für eigene Konstruktionen, vielleicht auszugsweise, könnte es dienen. Platine und Schaltplan wurden mit KiCAD V5 gezeichnet. Die 7 Platinen sind mit eine extra Projekt wegen des Layouts. Deren Schaltpläne sind zusätzlich im Gesamtplan als Unterschaltung enthalten. Die Firmware der Controller in meinen Projekten sind ausnahmslos komplett in Assembler. Dazu verwende ich MPLAB IDE V8.92 und als Debugger PICkit 2 oder 3.  Der komplette  Source-Code ist im Download.

Downloads

Schaltpläne, Layouts  NTG9200Kicad.zip (140kB) Hex-Datei für Programmer  NTG9200Hex.zip (4kB) Assembler Source  NFG9200Firmware.zip (50kB) Mechanische Zeichnungen  NTG9200Mechanik.zip (2,4MB)
Home Labor-Netzgerät, 3-fach, Seite 1 Seiten-Anfang