Peter Hofbauer’s private Homepage
Selbstbauprojekte eigene Entwicklungen
Impressum Letzte Änderung: 08.Juli 2013 Copyright: frei! Impressum Letzte Änderung: 27.Jan.2025 Copyright: frei! Home Signal Generator Seite 1(2) Signal Generator Seite 2(2)

SINE SQUARE WAVE SIGNAL GENERATOR (2/2)

Ein spezieller Funktionsgenerator

Der Schaltplan

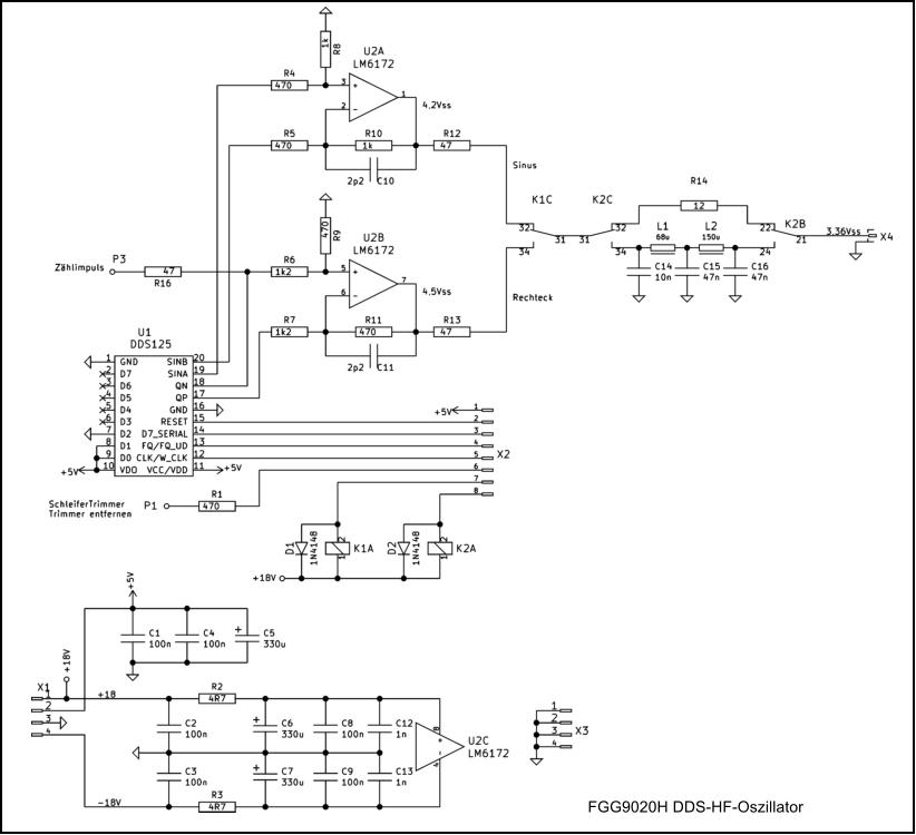
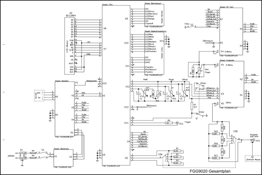
Die komplette Schaltung ist ein KiCAD-Projekt mit 8 Seiten. Im Hauptschaltplan sind die einzelnen Gruppen als Unterschaltungen enthalten. Der Hauptschaltplan soll eine Übersicht über alle Gruppen zeigen. Hier eine Liste der Seiten mit deren Dateiname: 1. FGG9020 Übersicht, Gesamt-Projekt 2. FGG9020C CPU-Platine 3. FGG9020H DDS-HF-Oszillator 4. FGG9020E Endstufe 5. FGG9020D Dateneingabe, Tasten links usw 6. FGG9020B Tasten rechts 7. FGG9020N Netzteil +/-17V 8. FGG9020T Netztrafo Die 7 Unterschaltungen haben zusätzlich ein eigenes KiCAD-Projekt. Wegen der Platinen-Layouts Der Gesamtplan zeigt die Verbindung aller Baugruppen. Jede Platine im Gerät ist als Unterschaltung gezeichnet. Die X-Stecker-Positionen, die innerhalb einer Unterschaltung eingezeichnet sind, beziehen sich auf die Positionsbezeichnung auf der entsprechenden Platine. Die Bedienelemente: S1 Netzschalter S2 schaltet das- LC-Tiefpass-Relais im HF-teil S3 ist der Bereichsschalter vom Eichteiler zum Ausgang S4 schaltet den Offset ein. S5 schaltet die Ausgangsbuchse ein/aus >> dieser Schalter ist nicht eingezeichnet, befindet sich zwischen S3B und X15! RV1 PWM-Einstellung von 10% bis 90% RV2 Pegelsteller, Dopppelpoti RV3 Offset-Poti die anderen Bedienelemente befinden sich auf den Platinen FGG9020B und ...D X11 BNC-Buchse für Triggerspannung X15 BNC-Buchse Ausgang Auf die “Zentrale Masse” sind alle GND-Leitungen gelötet. Befindet sich am GND-Anschluss der Ausgangs-BNC Buchse. Ist auch mit dem Gehäuse verbunden und vermindert Fehler durch Masseschleifen. Eignet sich gut für alle Messungen als Bezugspotential.
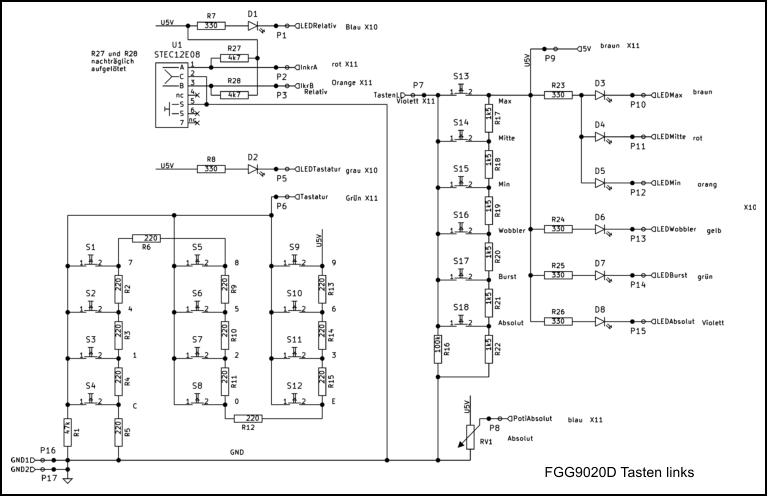
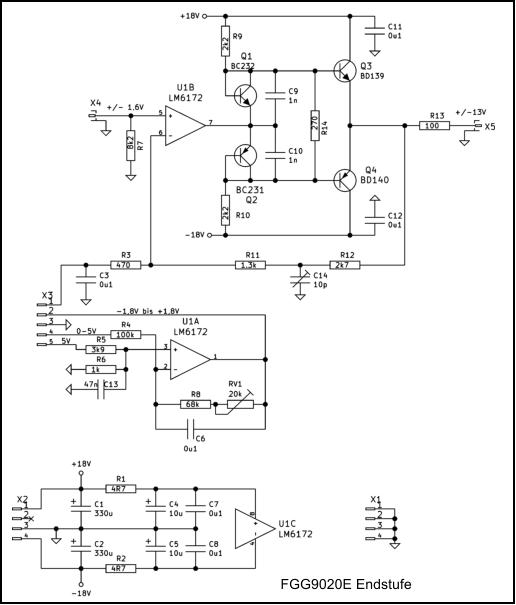
Die Platine FGG9020D sitzt hinter der Front. Enthält die 5 Tasten neben LCD, den Inkremantal- geber, das Absolutwert Poti, die Zifferntasten, und alle dazugehörenden LEDs. Wurde direkt an Leitungen (Farbe nach Widerstands- Kode) und X10, X11 angeschlossen. Geht an die CPU- Platine. Diese Platine sitzt auf der rechten Seite hinter der Front. Enthält die Tasten rechts und die dazu gehörenden LEDs. Wurde direkt an Leitungen (Farbe nach Widerstands- Kode) und X9 angeschlossen. Geht an die CPU-Platine. DDS125 ist das Modul mit den AD9850. Am Pin12 “Rset” (des AD9850) liegt ein 3,9kR gegen GND. Damit wird der Ausgangsstrom auf 10,24mA gesetzt. Die beiden komplementären Ausgänge sind mit 100R belastet was eine Spannung von je 1,024V am Anschluss SINA und SINB ergibt. Der Differenzverstärker U2A macht daraus eine gegen GND symmetrische Sinusspannung von 4,2Vpp. Das Rechtecksignal wird mit 2 Komparatoren im AD9850 im Vergleich einer Sinusspannung und der Spannung vom Poti auf der Front erzeugt. Die sind am Anschluss Qp und QN und werden mit Differenzverstärker U2B in eine gegen GND symmetrische Spannung geformt. An dessen Ausgang sind 4,5Vpp. Das Relais K1 schaltet zwischen Sinus und Rechteck um. Das Relais K2 schaltet ein LC-Tiefpass in den Signalweg. Vom Ausgang des DDS-HF-Oszillator geht das Singal zum Poti “AMPL” und weiter zum Eingang (X4) der Endstufe. Die Endstufe bringt das Signal auf 26Vpp. Der Innenwiderstand der Endstufe beträgt 100R. Der C14-Trimmer verbessert die Form des Rechtecksignals. Wird bei 1kHz so eingestellt wie man es vom Tastkopf eines Oszilloskop kennt. Diese Einstellung beeinflusst auch den Sinus- Frequenzgang.   Der U1A erzeugt eine Niederohmige Offset-Spannung von +/-1,8V aus der Spannung von 0 bis 5V vom Offset-Poti.   Die Betriebsspannung für den 100MHz-OPV darf bis +/- 18V betragen. Vorsichtshalber habe ich das auf +/-17V begrenzt. Die Stromaufnahme der 5V-Bauteile ist relativ hoch. Das LCD, die CPU und das DDS-Modul benötigen ca. 400mA. Das geht nicht mit einen Standard-Stabi aus 24V. Auch nicht mit riesigen Kühlkörper, sind immerhin 7,6W. Ich hatte noch einen alten geregelten DC/DC-Wandler für 5V. Damit gehts besser.                                                         
FGG9020C CPU-Platine FGG9020D Tasten links FGG9020B Tasten rechts FGG9020H DDS-HF-Oszillator FGG9020E Endstufe FGG9020 Netzteil FGG9020N Netzteil
FGG9020T Trafo

Manöver-Kritik

Wie nach jeder neuen Konstruktion erkennt man einiges was man hätte besser lösen können. Bei diesen Generator fällt mir aber nichts wesentliches ein. Die Bedienung ist sehr einfach und so wie ich es wollte. Die Verdrahtung ist etwas aufwändig, alles auf einer (SMD-) Platine wäre besser. Bei einer neuen Konstruktion hat aber die Verwendung von einzelnen Platinen einen Vorteil: Änderungen gehen einfacher. . Die Ausgangsspannung wird nicht gemessen sondern auf Grund der Poti-Stellungen berechnet. Eine Messung der oberen und unteren Spannung ist aber nur sinnvoll wenn die Spannung am unteren Ende der Eichleitung gemessen wird. Nur dann wird die Anzeige auch bei Belastung richtig. Das ist wegen der geringen Spannung dort und der verschiedenen Signalformen eine sehr schwierige Aufgabe. Kommt vielleicht später als Update.  

Nachbau?

Wie alle meiner Bericht ist auch dieser keine richtige Bauanleitung. Der Generator wurde mit Bauteilen gebaut die ich irgendwann mal aus alten Geräten ausgebaut hatte. Die Platinen hinter der Front kann man nicht nachbauen weil die verwendeten Tasten nicht lieferbar sind. Die müsste man entsprechend ändern. Alle Änderungen, die in der Entwicklung nötig waren, sind im Schaltplan und in den Platinen korrigiert worden.

Downloads

Schaltplan und Platinen (Kicad 5) FGG9020Version1.2.zip (165kB) Firmware, Hex-Datei       FGG9020Firmware.zip (90kB) Mechanik STEP-Datei    FGG9020Mechanik.zip (1,8MB)
Home Vorige Seite Nach oben

Update Jan.2025

Im praktischen Betrieb. Was sich bewährt: Die Bedienung mit Zehner-Tastatur und Poti hat sich bewährt. Die Tasten sind beim ersten Tippen sofort in Betrieb. Mit Poti einen ganzen Bereich innerhalb einer beliebigen Grenze zu “durchfahren” ist für einen schnellen Test einfach genial! Was fehlt: Die Anzeige der Ausgangsspannung für Sinussignale ist nicht ideal, man muss zum Rechner greifen wenn man den Effektivwert (RMS) benötigt. Was stört: Es werden eine Menge nicht benötigte HF-Signale ausgegeben. Zwar in geringer Höhe, ein 125MHz-Signal mit etwa 200uV, und einige Andere je nach Einstellungen. Firmware-Update Im Sinus-Betrieb wird jetzt in der 5. Zeile links die DC-Offsetspannung angezeigt (erkennbar an der Polaritäts Anzeige) und rechts der berechnete RMS-Wert. Wurde in einer höheren Auflösung berechnet. Hardware Update  Wegen Störung durch die steilen Flanken der Zählimpulse muss die Leitung “Zählimpuls” kurz und abgeschirmt sein. Im Schaltplan “Gesamt” war ein Fehler. Die Potis Offset und PWM waren vertauscht angeschlossen. Im Plan oben und in den KiCAD- Zeichnungen habe ich es verbessert.

Downloads

 Schaltplan und Platinen (KiCAD V5)  FGG9020Version1.2a.zip Firmware, Hexdatei   FGG9020FirmwareV1.2a.zip
FGG9020 Gesamtplan

2. Manöver-Kritik

Beim Überprüfen des Generators mit meinen (Eigenbau-) Spektrum-Analyzer wurde ein Nachteil der CPU/Digital-Steuerung sichtbar. Über 30MHz, das ist der Arbeitstakt der CPU, bis 240MHz, weiter geht mein Speki nicht, sind Signale zu erkennen. Die Signale sind auch sichtbar wenn AMPL auf Null steht. Auch der 100R-Ausgangsteiler hat keinen Einfluss darauf. Die Signale kommen nicht auf den legalen Weg zum Ausgang. Die sind auch vorhanden wenn ich den Stecker vom Ausgang der Endstufe abnehme. Die Signalpegel sind gut unter 300uV. Stören nicht bei normalen Anwendungen unter 30MHz. Aber auf welchen Weg kommen die zum Ausgangs BNC? Messfehler über GND/PE sind es nicht. Das Signal ist komplett verschwunden wenn ich den Schalter “OUTPUT ON” ausschalte und der Generator in Betrieb bleibt. Das originale Filter auf dem DDS-Modul hat keine Wirkung auf diese Signale. Die Pegel bleiben in allen Stellungen des Ausgangsteilers unter 300uV und wirken sich deshalb nirgends aus. Die Quelle der Signale habe ich mit verschiedenen Methoden im Gerät gesucht. Die stärksten waren mit einen magnetischen Sensor wie im Bild links zu sehen. Die 2 Leitungen einer Messleitung sind kurz geschlossen. Im Prinzip 30mm-Kurzschlussring. An der gezeigten Stelle am DDS-Modul ist das stärkste Signal sichtbar. Das DDS-Modul mit den erforderlichen Steuerleitungen erzeugt also diese Sauerei! Diese Signale wurden mit den Kurzschlussring gemessen: Wie können diese Signale verhindert / vermindert werden?   Abschirmungen sind wegen der hohen Frequenzen und wegen der magnetischen Einstreuung wirkungslos. HF-Konforme und Wasserdichte Abschirmungen sind wegen des hohen mechanischen Aufwandes nicht machbar. Bessere GND-Verbindungen dürften ebenfalls nichts bringen. Eine gute Lösung: Anstatt ein DDS-Modul sollte der AD9850 und der 125MHz-Quarzoszillator direkt neben der CPU auf deren Platine kommen. Ob dann auch die beiden Differenzschaltungen mit den LM6172 ebenfalls auf die CPU-Platine müssen? Vermutlich reicht es wenn die Leitungen SINA, SINB, QP und QN Herausgeführt werden. Die sind gegen GND symmetrisch und dürften deshalb kaum streuen. Ich werden aber nichts ändern weil diese Signale immer unter 300uV bleiben und nie stören. Es sollte nur nicht unerwähnt bleiben.  
PWM auf 0%, Cursor = 30MHz
PWM auf 50%, Cursor = 30MHz
Generator = Aus!
PWM = 0%
PMW = 50%