Peter Hofbauer’s private Homepage
Selbstbauprojekte eigene Entwicklungen
Home Erodiermaschine Seite 1 Erodier S. 2 Erodier S. 3 Erodier S. 4 Erodier S. 5 Erodier S. 6 Erodier S.7 Impressum Letzte Änderung: 08.Juli 2013 Copyright: frei! Impressum Letzte Änderung: 16.April 2018 Copyright: frei!

Der Schaltplan

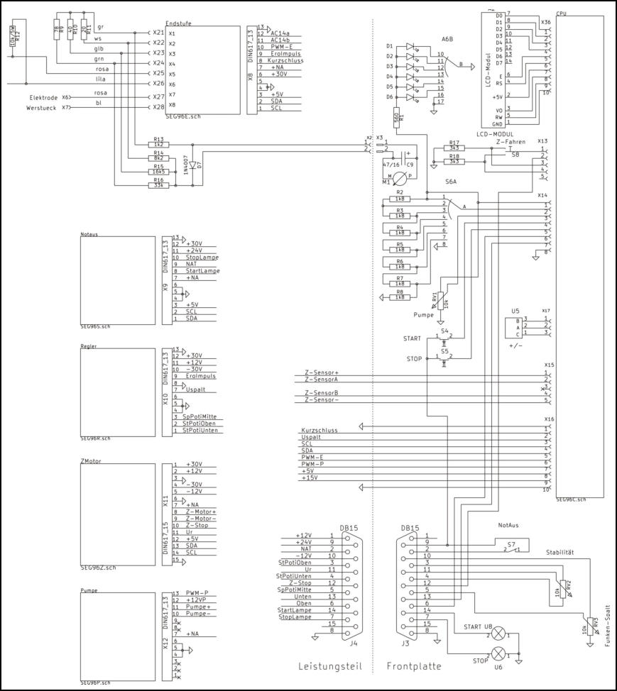
Schaltplan Seite 1(8), Übersichtsplan

Der originale Schaltplan hat einen Umfang von 8 Seiten. Die erste Seite ist wegen seines Umfanges im A3-Format. Die übrigen 7 Seiten sind im A4-Format. Die erste Seite zeigt die komplette Anlage, wobei die einzelnen Module hier nur als Rechteck mit deren Steckanschlüssen zu sehen sind. Die Schaltbilder der Module folgen noch. Damit das hier noch lesbar ist, habe ich die erste Seite in 2 Teilen eingestellt. Oben die linke Hälfte und  unten die rechte Hälfte des Originals. Die 1. Hälfte von Seite 1: Gleichrichter U1 erzeugt die 120V für die Endstufe. Gleichrichter U4 erzeugt die Betriebsspannung +12VP für die Pumpe. Die untere Wicklung des großen Netztrafos T2 liefert eine erdfreie Betriebsspannung für die Treiber der VMOS in der Endstufe. Gleichrichter U3 erzeugt die Betriebsspannungen für den Z-Motor und die Relais. Gleichrichter U2 liefert die Betriebsspannung für die CPU-Platine. Die SubD-Buchse J2 sitzt auf der Rückwand und ist der Steueranschluß für die Maschine. Die Schaltung der Maschine ist hier nur als Rechteck angedeutet. Die 2.Hälfte von Seite 1: Die Widerstände R9, R10 und R11 begrenzen den Erodierstrom. Sie sind im Kühlturm untergebracht. Die Endstufe ist durch Flachstecker (X21...X28) mit dem 120V- Leistungsteil verbunden. Die Widerstände R13...R16 leiten den Mittelwert des Erodierstromes zum Messwerk M1 auf der Front. Alle Module sind auf einer Chassisplatte stehend über Steckverbinder DIN617 verbunden.  Diese Seite 1 ist die oberste Ebene der Schaltplan-Hierachie. Die Module selber sind nur als Rechteck gezeichnet. Die Module sind mit einen Buchstaben gekennzeichnet. Dieser ist immer am Schaltplannamen (z.B. SEG96C) angehängt. Die Positionsziffern der Bauteile sind auf jeder Seite getrennt gezählt. Die Bauteile rechts von der gestrichelten Linie sitzen auf der Frontplatte. Die CPU-Platine (Modul C) wird über mehrere Steckungen verbunden. Eine Ebene des Drehschalters U6 schaltet die LEDs unter dem LCD zur Bedienerführung. Die zweite Ebene des S6 ist mit Widerständen beschaltet. Die CPU liest dessen Stellung über einen Analogeingang. Poti RV1 wir ebenfalls von der CPU gelesen und als PWM-Wert (PWM-P) zum Modul P ausgegeben. Die Tasten START und STOP werden über digitale Eingänge gelesen. Die in den Tasten sitzenden Lampen U6 und U8 werden im Modul S geschaltet. Der Drehimpulsgeber U5 ist zum Einstellen der Erodierdaten. Die beiden Potis RV2 und RV3 sind am Modul R angeschlossen und werden dort näher beschrieben. Die SubD-Buchse J3 ist auf der Front und wird mit Stecker J4 mit der übrigen Schaltung verbunden.

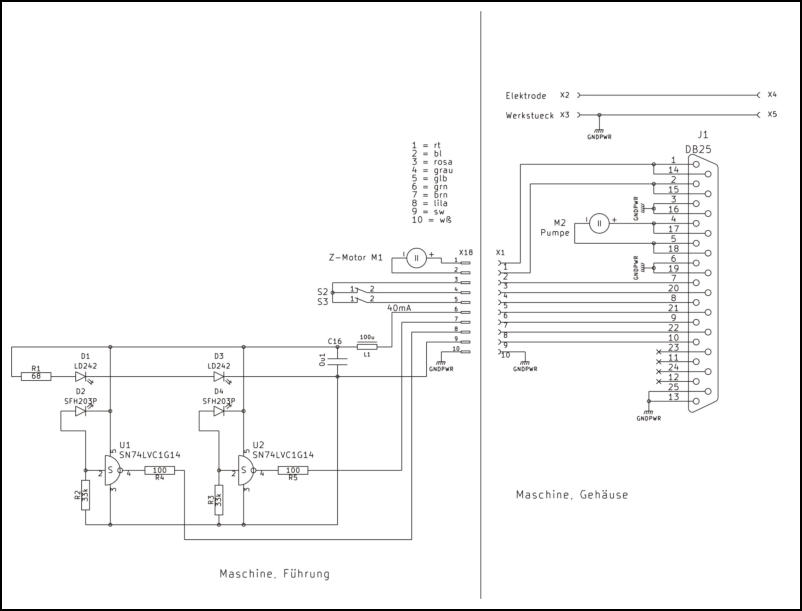
Schaltplan Seite 2(8) Maschine SEM96

Die Schaltung in der Maschine: J1 sitzt auf der Rückwand und wird mit einen 25 poligen Kabel 1:1 mit dem Generator verbunden. X2...X4 sitzen auf der Rückwand und auf der Frontfläche. Damit wird die Erodierspannung zum Werkzeug und zum Werkstück gebracht. Die Leitung zum Werkstück wird nur an dieser Stelle mit GND der Steuerung verbunden. X1 sitzt auf der Frontfläche der Maschine und wird über X18 mit der Elektronik in der Z-Einheit (”Führung”) verbunden. D1...D4 sind die Lichtschranken an der Lochscheibe. Deren Signale sind in etwa Sinusförmig und werden mit den Schmitt-Triggern U1 und U2 in Rechtecke für die Positionsmessung geformt. Deren Leitungen sind im Verbindungskabel und im Generator abgeschirmt. Das ist unbedingt nötig weil der Erodiervorgang starke Impulsstörungen erzeugt. S2 und S3 sind die Endschalter.

Schaltplan Seite 3(8) Endstufe Modul E

Die Schaltung der Endstufe (Modul E): Q7...Q9 sind die Leistungsschalter, zwischen X2...X4 und X1 liegen die Widerstände im Kühlturm. Dieser Teil ist in der Endstufe erdfrei und wird erst in der Maschine mit GND verbunden. Die Relais K1, K4, K6 schalten das Werkstück auf eine positive Erodierspannung, und die Relais K2, K3, K5 auf eine Negative. Die Transistoren vor den Relaisspulen sorgen dafür, dass nicht beide Relaisgruppen gleichzeitig schalten können. Die Relais werden mit den I2C-Schaltkreis U1 gesteuert. Das Relais K7 schaltet im Ruhezustand die Kurzschluss- Erkennung mit Q10. Damit erkennt die CPU den Zustand “Werkstück berührt” und setzt den Istzähler auf 0. Wenn Erodieren gestartet ist, schaltet K7 über eine RC-Kette die Erodierspannung zum Modul R durch. Q6 wird mit der Erodier PWM von der CPU auf Modul C angesteuert, die Endstufen dann über den I2C-Bus mit U1 aktiv.  

Schaltplan Seite 4(8) Notaus Modul S

Schaltung der Notaus-Relais (Modul S): Über den I2C-Bus mit U1 werden die beiden Notaus-Relais geschaltet und überwacht. Wenn eines der beiden Relais nicht im Ruhezustand war, z.B. wegen verschweißter Kontakte, bleiben die Relais aus. Dann erfolgt eine entsprechende Meldung im LCD. Außerdem werden hier die Lampen in den START und STOP-Tasten geschaltet. Die Pins P0..P7 am U1 können als Ausgänge und auch als Eingänge verwendet werden. Zwischen +24V und NAT liegt der Notaus-Taster auf der Frontplatte. Über P6 von U1 wird erkannt ob er betätigt ist. Über P0 und P1 kann der Zustand der Relais gelesen werden. Ich habe im Generator immer wo möglich einzelne Transistoren (BC232) verwendet statt neuere Treiber-ICs. Der Grund: ein Freund hat mir tausende Transistoren geschenkt! 
SEG96
SEM96
SEG96E
SEG96S
Home Vorige Seite Nächste Seite Erodier S. 4 Erodier S. 4